EasyManua.ls Logo

Xerox Phaser 7760 - Page 351

Xerox Phaser 7760
564 pages
Print Icon
To Next Page IconTo Next Page
To Next Page IconTo Next Page
To Previous Page IconTo Previous Page
To Previous Page IconTo Previous Page
Loading...
January 2010
2-315
Phaser 7760 Color Laser Printer
012-916
Status Indicator RAP’s
Revised
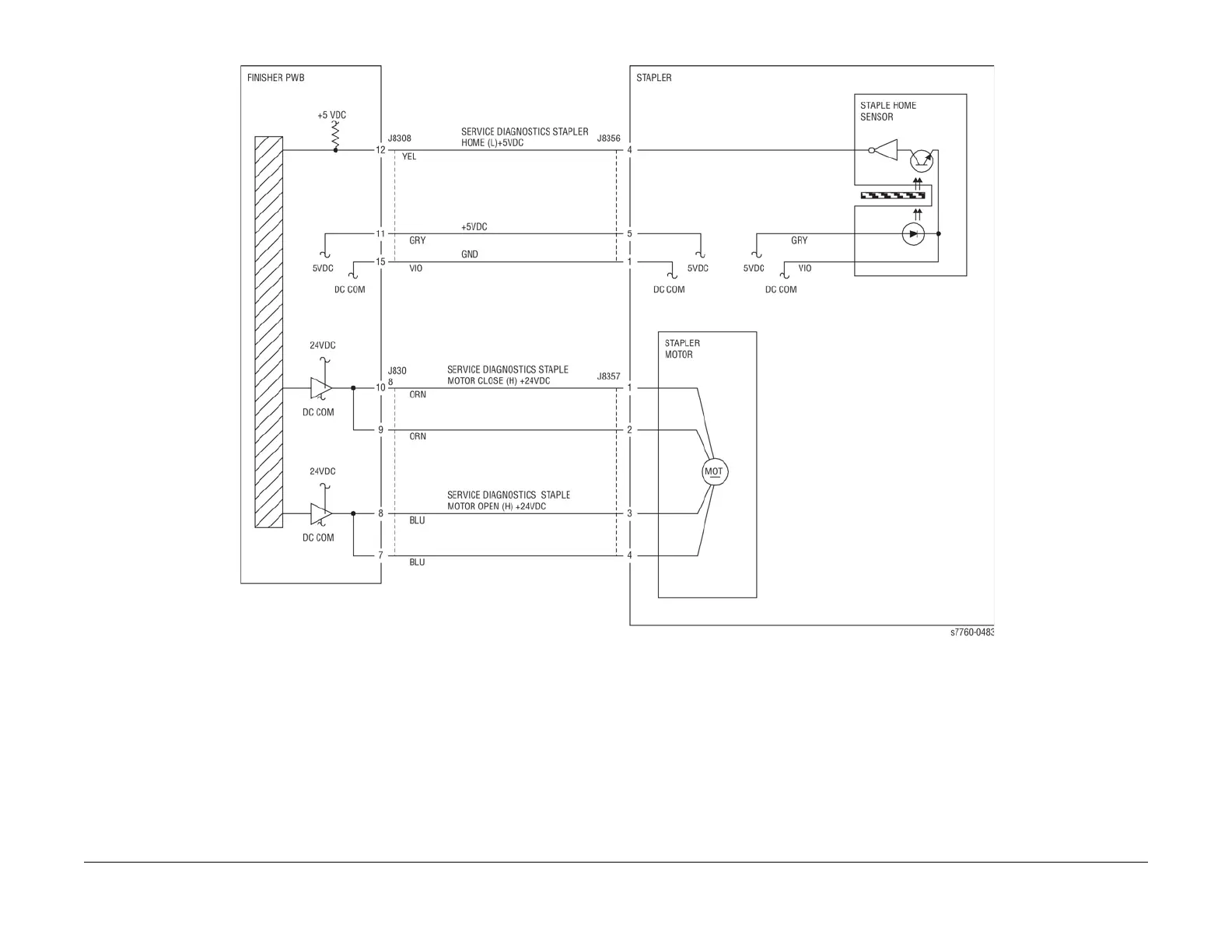
Figure 1 012-916 Staple Home Sensor

Table of Contents