EasyManua.ls Logo

Xerox Phaser 7760 - Page 366

Xerox Phaser 7760
564 pages
Print Icon
To Next Page IconTo Next Page
To Next Page IconTo Next Page
To Previous Page IconTo Previous Page
To Previous Page IconTo Previous Page
Loading...
January 2010
2-330
Phaser 7760 Color Laser Printer
012-960
Revised
Status Indicator RAP’s
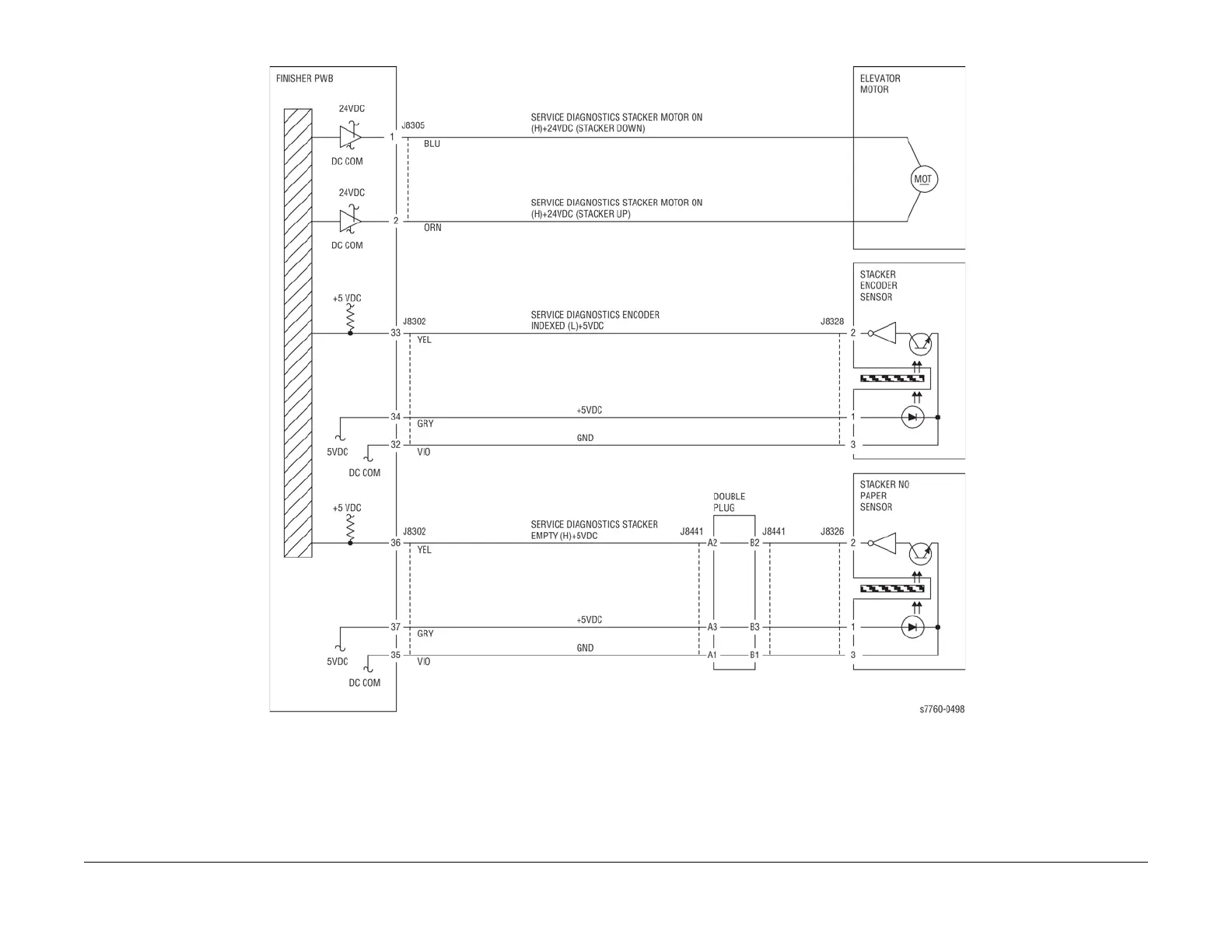
Figure 1 012-960 Stacker Tray

Table of Contents