EasyManua.ls Logo

Xerox Phaser 7760 - Page 389

Xerox Phaser 7760
564 pages
Print Icon
To Next Page IconTo Next Page
To Next Page IconTo Next Page
To Previous Page IconTo Previous Page
To Previous Page IconTo Previous Page
Loading...
January 2010
2-353
Phaser 7760 Color Laser Printer
024-930
Status Indicator RAP’s
Revised
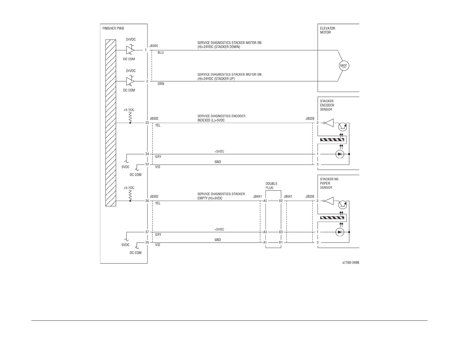
Figure 1 024-930 Finisher Stacker Tray Full Stack

Table of Contents