EasyManua.ls Logo

Xerox Phaser 7760 - Page 393

Xerox Phaser 7760
564 pages
Print Icon
To Next Page IconTo Next Page
To Next Page IconTo Next Page
To Previous Page IconTo Previous Page
To Previous Page IconTo Previous Page
Loading...
January 2010
2-357
Phaser 7760 Color Laser Printer
024-945
Status Indicator RAP’s
Revised
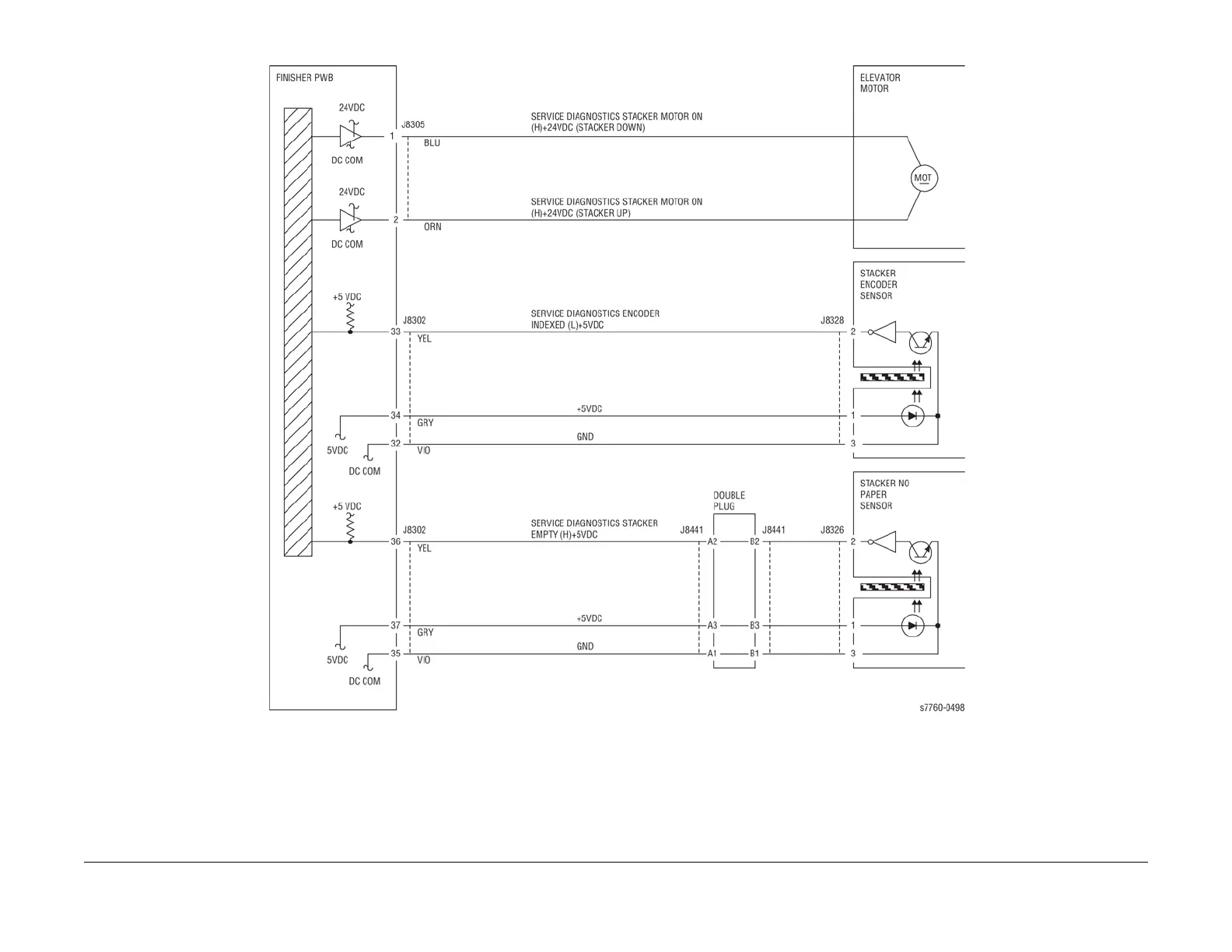
Figure 1 024-945 Stacker Tray

Table of Contents