EasyManua.ls Logo

Xerox Phaser 7760 - Page 408

Xerox Phaser 7760
564 pages
Print Icon
To Next Page IconTo Next Page
To Next Page IconTo Next Page
To Previous Page IconTo Previous Page
To Previous Page IconTo Previous Page
Loading...
January 2010
2-372
Phaser 7760 Color Laser Printer
024-979
Revised
Status Indicator RAP’s
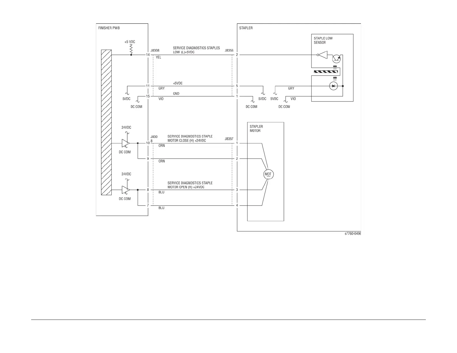
Figure 1 024-979 Stapler Near Empty

Table of Contents