EasyManua.ls Logo

YASKAWA MP2100 Series - Page 177

YASKAWA MP2100 Series
455 pages
To Next Page IconTo Next Page
To Next Page IconTo Next Page
To Previous Page IconTo Previous Page
To Previous Page IconTo Previous Page
Loading...
7 Motion Parameters
7.2.2 Motion Setting Parameter Details
7-22
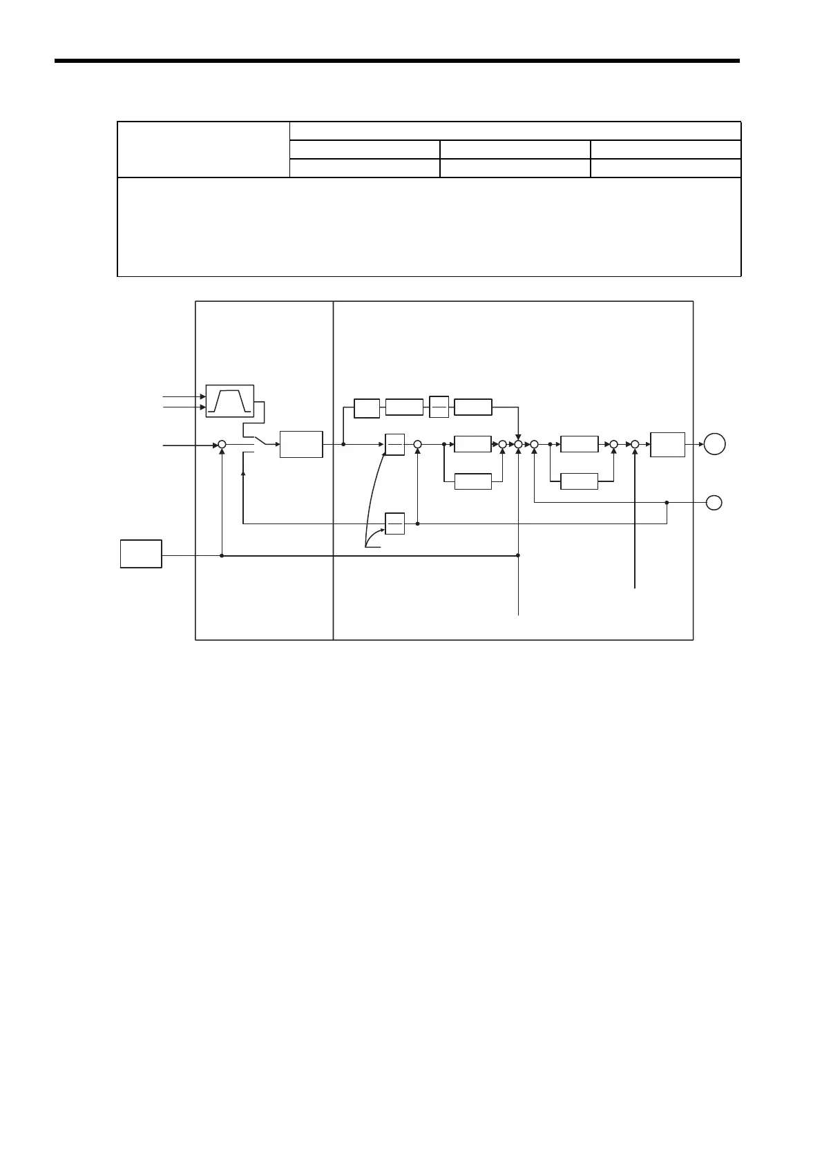
OW

34
Speed Integration Time Constant
Setting Range Setting Unit Default Value
15 to 65535 0.01 ms 2000
The speed loop has an integral element to enable responding to minute inputs.
This element, however, causes a delay in the Servo system, adversely affecting the response if the time constant is set too
large.
The actual machine operation depends on the settings in the SERVOPACK parameters. Refer to
Appendix B.1 Parameters
Updated when a Connection is Established (MP2100/MP2100M to SERVOPACK)
for details on making parameters auto-
matically effective.
Pn109
Pn10A
Pn102
Pn101
A
B
Pn100
A
B
M
PG
Pn11F
A
B
NS100/NS115
OW3A
(OW32)
(OW30)
(OW31)
(OW2F)
S
Kp
Ti
(OW2E)
(OW34)
Kv
NTi
FB
Vref
Filter
Differ-
ential
Speed
compen-
sation
Acceleration/
deceleration
processing
Acceleration: OL36
Deceleration: OL38
Followup
(Not supported.)
SERVOPACK
Set in a 1:1 ratio.
Current
loop

Table of Contents

Related product manuals