EasyManua.ls Logo

Brother MFC-7450 - Chapter 6 Circuit Diagrams, Wiring Diagram

Brother MFC-7450
315 pages
Print Icon
To Next Page IconTo Next Page
To Next Page IconTo Next Page
To Previous Page IconTo Previous Page
To Previous Page IconTo Previous Page
Loading...
6-1
Confidential
CHAPTER 6 CIRCUIT DIAGRAMS, WIRING DIAGRAM
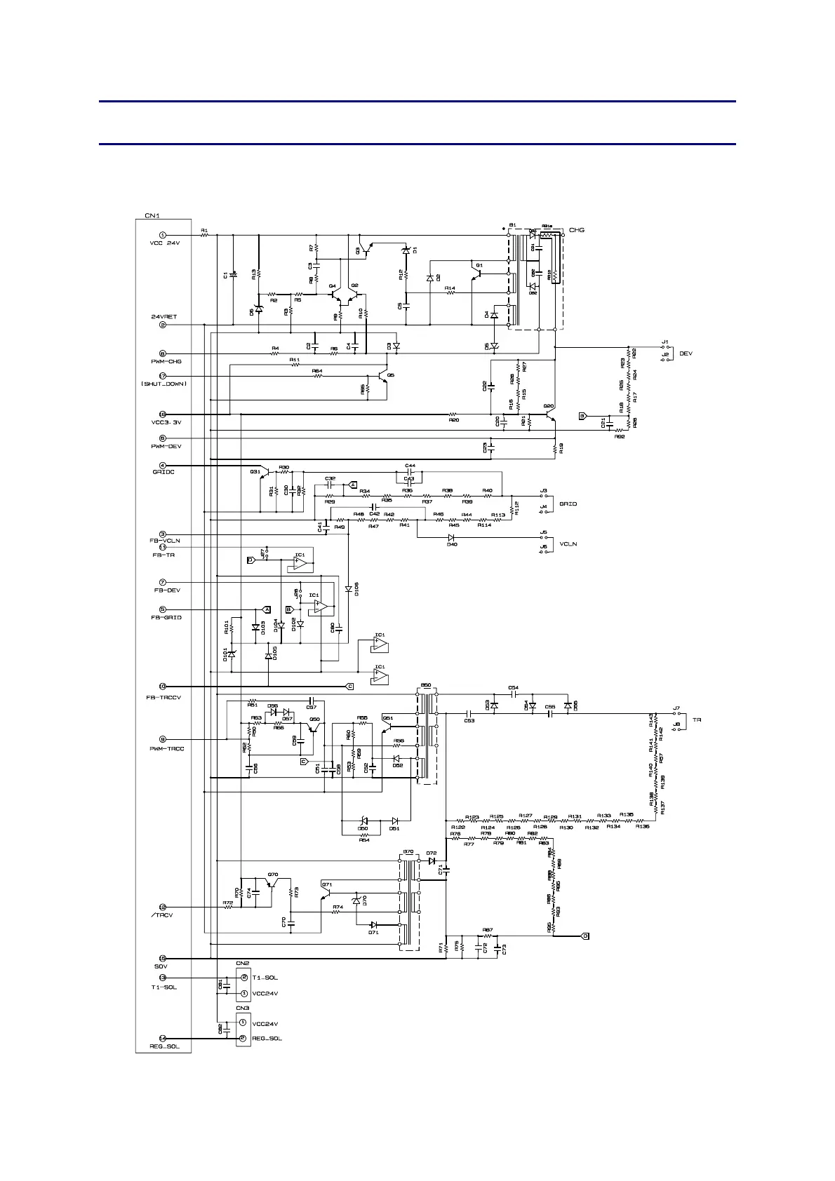
High-voltage Power Supply PCB Circuit Diagram

Table of Contents

Other manuals for Brother MFC-7450

Related product manuals