EasyManua.ls Logo

Brother MFC-7450 - Page 237

Brother MFC-7450
315 pages
Print Icon
To Next Page IconTo Next Page
To Next Page IconTo Next Page
To Previous Page IconTo Previous Page
To Previous Page IconTo Previous Page
Loading...
6-5
Confidential
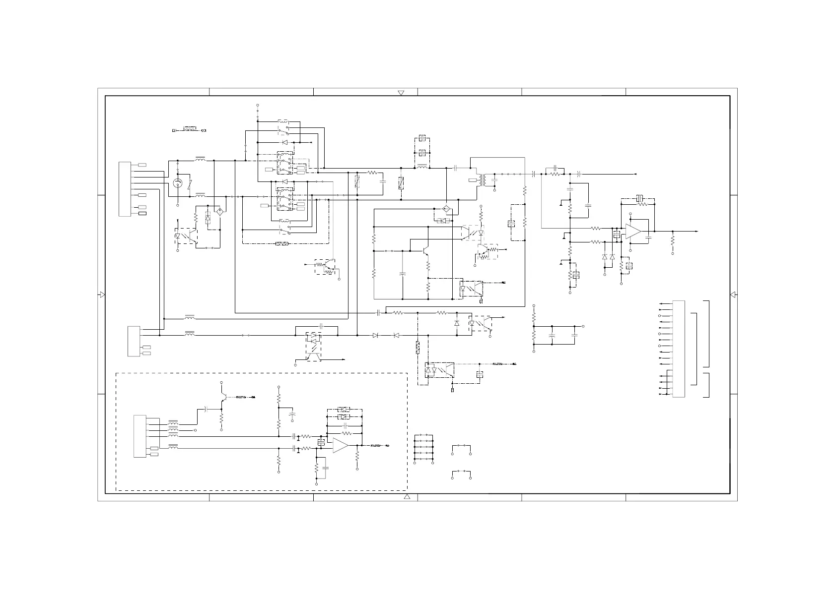
NCU PCB circuit diagram : Europe/Asia/Oceania/China
+
+
-
+
+
+
+
+
-
D
666666654321
63 62 651 66664
C
B
A
C
B
A
D
@R3
120
2W
@D3
ERA15-04
@C2
C474
250V
R6
39k
1W
PH3
TLP421
A
K
E
C
PH2
TLP320
CE
AK2
AK1
D1
1SS120
D6
1SS120
@PH1
TLP627
A
K
E
C
@R31
20k
C4
C2.2
50V
ZD2
MTZJ12
ZD1
MTZJ12
@R7
120 2W
@R8
0
1/4W
@ZNR1
ENC121D-07A
AL2
RA-242
@DB1
S1ZB60
A1
-
A2
+
@Q4
DTC123EK
C
B
E
PH6
TLP421
A
K
E
C
DB2
S1ZB60
A1
-
A2
+
D5
ERA15-04
@C7
C1
50V
6C
PLS
6C
CI
6C
TELOFF
6C
CML
FG1
GND
GND
GND
FG
GND
GND
GND
+24V
6C
RDPS
R9
10k 1/4W
Q1
KTD1411
C
B
E
@CR1
9
1
12
10
8
4
3
5
@D4
1SS120
@CR2
9
1
12
10
8
4
3
5
C24
C102
@PH5
TLP421
A
K
E
C
GND
6C
ADLC
@C29
C153
@C28
C153
@SW2
1
2
12
11
7
@SW1
1
2
12
11
7
@R2
0
J1
MJ-62J-RD315
3
XX
4
XX
7
FG
8
FG
J2
R41-4910-C
1
S
2
Ta
3
La
4
Lb
5
Tb
6
E
7
FG
8
FG
@T1
BT-6
NC
NC
NC
NC
NC
NC
GND
@R17
3.9k
@R13 68k
R11
2k
@R18 1.5k
6C
SL
R14
100k
U1
BA10358
4
2
3
1
8
C18
C561
R16
100k
GND
C10
C104
+5V
C11
C561
@C22
C563
6C
RL1
REF
C9
C1016V
@C14
C822
@R22
68k
4C
CI
GND
6B
RL1
3C
TELOFF
+24V
+5V
2C
TELRL
2A
CML
6B
SL
3D
TELSL
1B
PLS
4B
CHRG
2B
RDPS
R25
820
C8
C470
6.3V
GND
R27
1k
+5V
REF
C13
C101
GND
@C5
C10
6C
TELSL
@C12
C102
@R28
2.7k
@D7 1SS120
@C20
C104
@R21
120k
@D8
1SS120
@R15
120k
NC
@R10
150
GND
REF
@C6
C100
16V
NC
@C17
C102
GND
6C
TELRL
@R29
100
GND
U1
BA10358
6
5
7
C16
C101
@R24
2.7k
@R20
12k
@C15
C104
@Q2
C5395
C
B
E
@J3
285D-D440J-111
1
XX
2
XX
3
XX
4
XX
5
FG
6
FG
@R19
12k
GND
@R12
680
+5V
+5V
+5V
R30
470
6C
CHRG
GND
Q3
DTC123EK
C
B
E
4C
ADLC
C3
C2.2
L10
L4
L5
L1
@L6
@L7
@L9
@L8
REF
@R26
3.9k
@C23
C103
GND
@ZD3
MTZJ5.1B
@ZD4
MTZJ5.1B
C21
C104
@D2
ENC121D-07A
@R4
39k
1W
TP2
TP1
TP3
NC
TP4
@R23
0
@C19
0
TP5
C26
C105
AL1
RA-311
@L2
JW
@C27
C332
250V
@R5
0
NC
NC
NC
NC
NC
NC
@R1
100 1/4W
@C1
C474
250V
@R33
0
@R32
3.9k
@PH4
TLP620
AK1
AK2
E
C
GND
@C25
C104
CN1
B16B-PH-K-S(LF)
1
POL
2
ADLC
3
CHRG
4
RDPS
5
POL
6
PLS
7
RL1
8
SL
9
+5V
10
TELOFF
11
GND
12
CI
13
CML
14
+24V
15
TELSL
16
TELRL
4C
POL
6D
POL
L3
+5V
GND
JW20
JW19
GND
JW22
JW23
REF REF
JW18
JW12
JW21
+5V
JW2
JW3
JW4
JW5JW6
JW7
JW8
JW9
JW10
JW11
JW1
JW14 JW15
JW13
JW16
JW17
+
(H.S)
WITH
NONE
These components are mounted for with HANDSET Models only.
HANDSET

Table of Contents

Other manuals for Brother MFC-7450

Related product manuals