EasyManua.ls Logo

Brother MFC-7450

Brother MFC-7450
315 pages
To Next Page IconTo Next Page
To Next Page IconTo Next Page
To Previous Page IconTo Previous Page
To Previous Page IconTo Previous Page
Loading...
6-4
Confidential
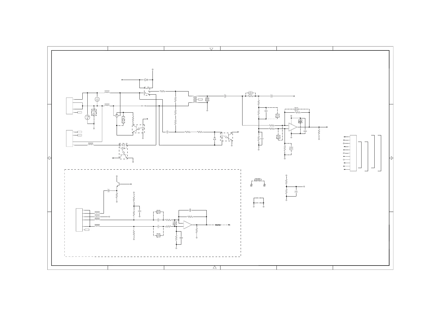
NCU PCB circuit diagram : USA/Canada
+
+
-
+
+
+
-
D
666666654321
63 62 651 66664
C
B
A
C
B
A
D
R27
4.7k
C16
C470
6.3V
+5V
REF
C4
C103
GND
U1
BA10358
6
5
7
GND
6B
TELSL
@C17
C104
@R21
24k
@C14
C471
@R15
150k
REF
R23
3.3k
GND
@C15
C104
C7
C104
C5
C2.250V
@C9
C221
@C10
C471
@R8
510
@R19
2.7k
@R17
150k
GND
R16
100k
6B
RL1
@R13
3.3k
R25
620
REF
GND
R18
620
@C18
C221
GND
@R24
2.7k
@C6
C10
+5V
C8
C104
R28
100k
R14 100k
R10
2.7k
C19
C222
U1
BA10358
4
2
3
1
8
@C12
C101
GND
@R9
150
REF
R12
100k
@R22
24k
D7
1SS120
PH2
TLP320
AK1
AK2
E
C
@C3
C10
35V
@PH1
PS2533-1
A
K
E
C
D3
1SS120
R7 100
2W
GND
D5
RA-242M-C6
R6
6.2k
@D1
ERA15-04
D4
RA-351M-V6-2
@D2
S1ZB60
A1
-
A2
+
@R1
120 2W
R2
24k
FG
6B
CI
GND
+24V
R5
6.2k
C1
C474
250V
PH3
TLP421
A
K
E
C
@T1
BT-17
GND
R4
6.2k
6B
SL
R11
4.3k
5A
SL
GND
2C
TELRL
2A
CML
2B
PLS
5B
RL1
+24V
3D
TELSL
2C
TELOFF
4B
CI
+5V
@J3
285D-D440J-111
1
XX
2
XX
3
XX
4
XX
5
GND
6
GND
+5V
@Q1
C5395
C
B
E
6B
TELOFF
6B
CML
GND
6B
TELRL
@R20
100
@C13
C470
10V
GND
+5V
GNDFG
6C
PLS
J2
R41-4910-A
3
XX
4
XX
7
FG
8
FG
J1
R41-4910-A
3
XX
4
XX
7
FG
8
FG
NC
NC
NC
NC
C11
C101
L8
L1
L3
L2
@L4
@L7
@L6
@L5
C2
C102
P1
B11B-PH-K-S
1
PLS
2
RL1
3
SL
4
+5V
5
TELOFF
6
GND
7
CI
8
CML
9
+24V
10
TELSL
11
TELRL
NC
SW1
A5X-24E-908
1
2
12
11
7
R3
24k
D6
RA-242M-C6
C102
C104
C103
C104
C104
C104
C101
C104
JW1
JW2
GND GND
JW3
JW4
+
+
(LINE)
(EXT)
(H.S)
FB
US CAN
FB
US
SF
CAN
SF
These components are mounted for SF Models only.

Table of Contents

Other manuals for Brother MFC-7450

Related product manuals