EasyManua.ls Logo

Brother MFC-7450

Brother MFC-7450
315 pages
To Next Page IconTo Next Page
To Next Page IconTo Next Page
To Previous Page IconTo Previous Page
To Previous Page IconTo Previous Page
Loading...
6-3
Confidential
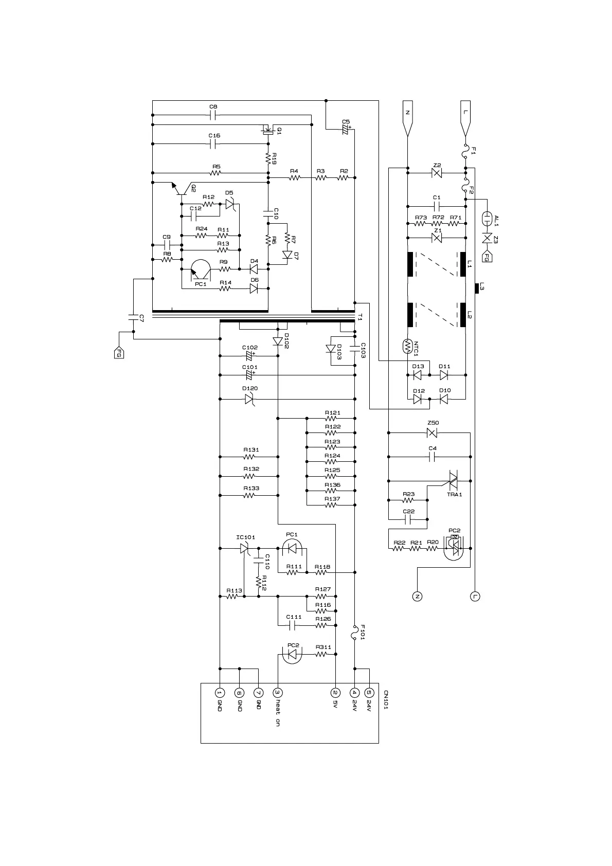
LVPS PCB Circuit Diagram (200V)

Table of Contents

Other manuals for Brother MFC-7450

Related product manuals