EasyManua.ls Logo

Cooper Security M750 - Page 10

Cooper Security M750
140 pages
Print Icon
To Next Page IconTo Next Page
To Next Page IconTo Next Page
To Previous Page IconTo Previous Page
To Previous Page IconTo Previous Page
Loading...
Introduction Engineering Manual
8
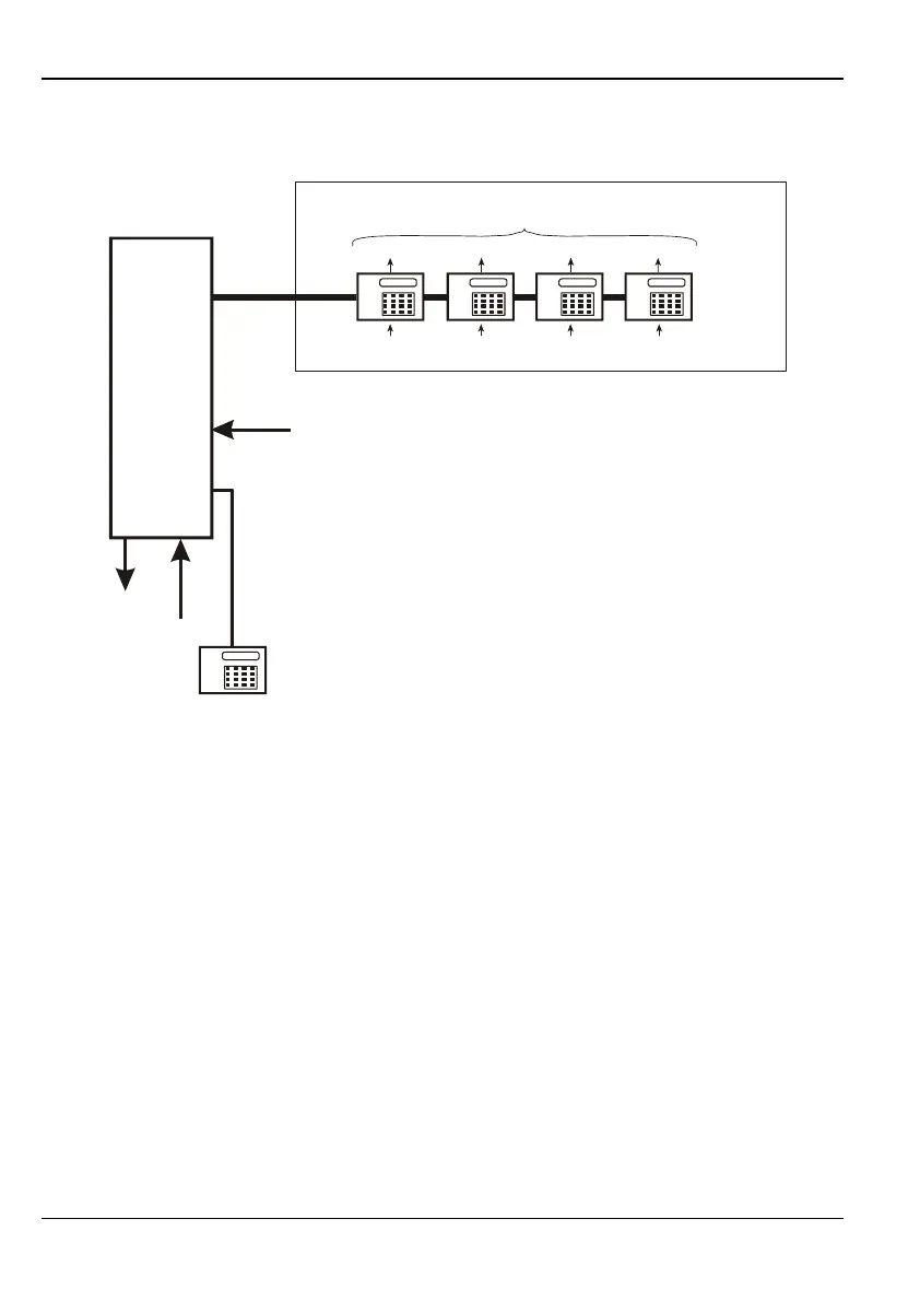
Network 1
ID Network
800iD Plus
CONTROL
PANEL
3 Outputs
30 Zones (utilising
iD Plus biscuits)
Network 1 (Supports only remote keypads and LEC2s)
Network Wiring = 6 Core
Max 4
100m max to
furthest
keypad/LEC2
1 Output
2 Zones
1 Output
2 Zones
1 Output
2 Zones
1 Output
2 Zones
8 Zones
Engineer’s keypad
(cannot have zones
or outputs)
Figure 2. Network Architectures for the M800iD Plus Control Panel

Table of Contents