EasyManua.ls Logo

Epson RC620 CU - Page 145

Epson RC620 CU
226 pages
Print Icon
To Next Page IconTo Next Page
To Next Page IconTo Next Page
To Previous Page IconTo Previous Page
To Previous Page IconTo Previous Page
Loading...
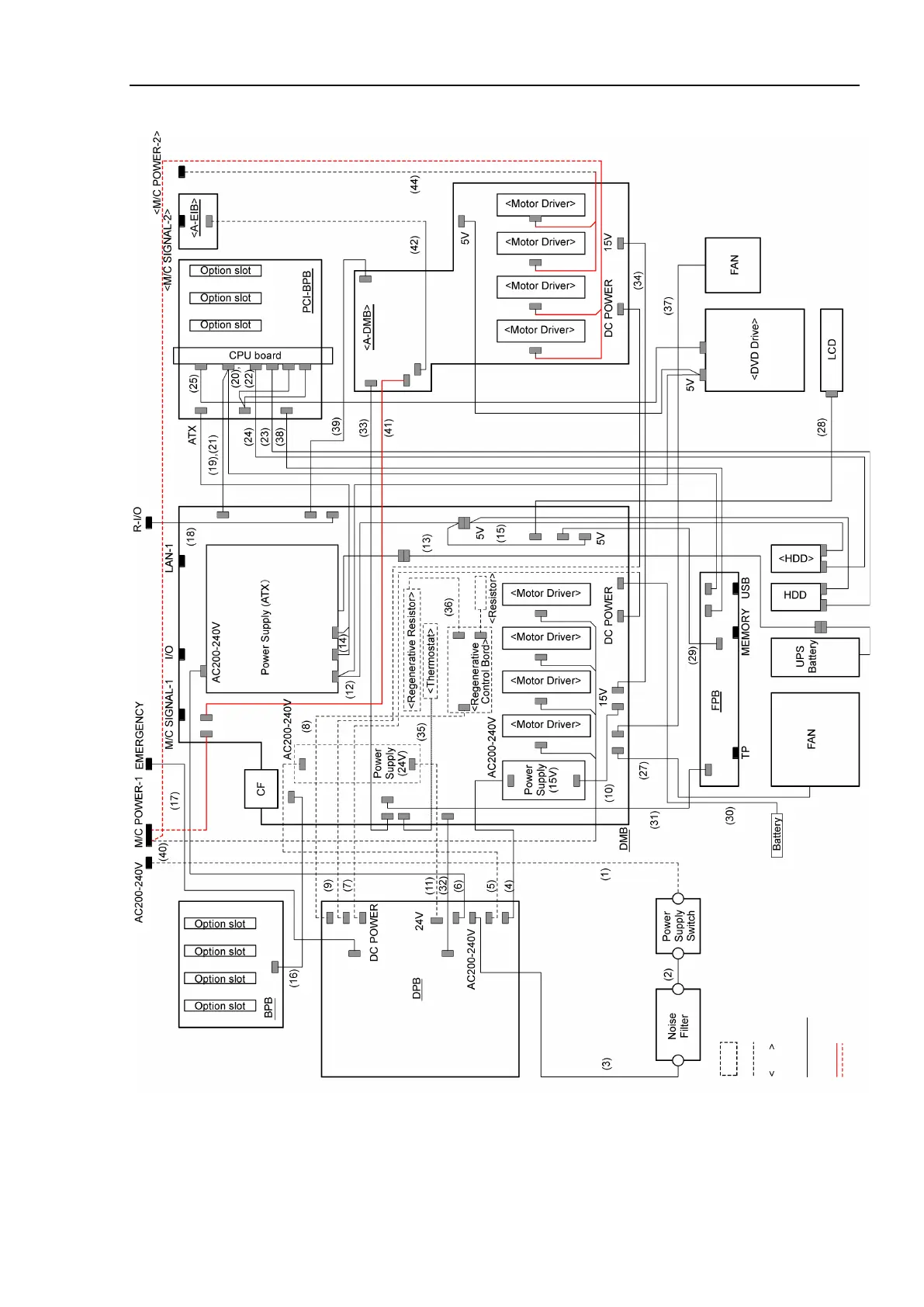
Maintenance 3. Controller Structure
RC620 Rev.8 129
When connecting one 6-axis manipulator and one X5 series
Additional with 6-axis + 2-axis robot
Parts installed in the bottom side
Wires in the bottom side
Parts (not) installed depending
on the specification
Underlined
Plate name
* For RC620-UL:
Power Supply Switch is not available.
*

Table of Contents