EasyManua.ls Logo

Honeywell ControlEdge 900 platform - Self-Powered 3-Wire Transmitter with System Ground

Honeywell ControlEdge 900 platform
230 pages
Print Icon
To Next Page IconTo Next Page
To Next Page IconTo Next Page
To Previous Page IconTo Previous Page
To Previous Page IconTo Previous Page
Loading...
113
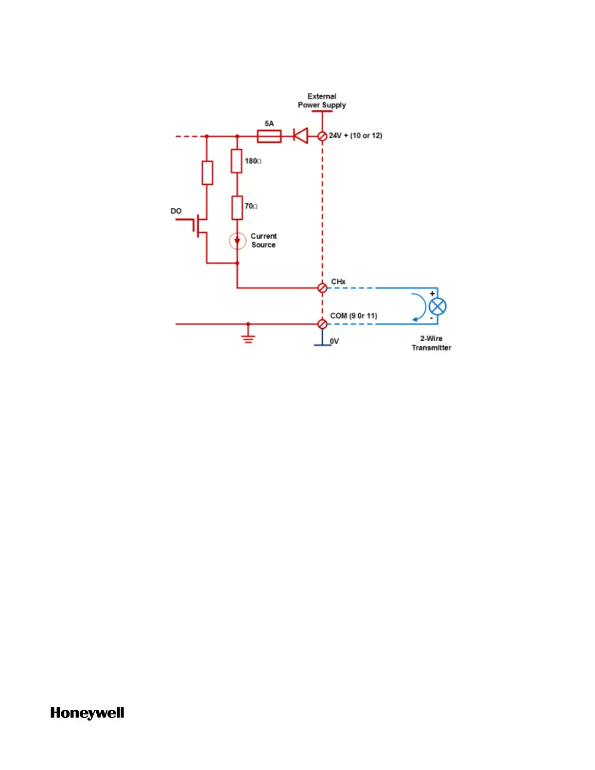
Self-powered 3-wire transmitter with system ground
This can be applied to any channels from 1 through 16.
The simplest wiring is to have the 'common' wire and the 'current
source' wire under the same terminal blocks screw. If the site wiring
does not permit this method, then a separate external terminal block
must be used. The device must reference its 'DCS-side' common to
ControlEdge 900 common.
Figure 5-24: Self-powered 3-wire transmitter with system ground
(Current Sink)

Table of Contents

Related product manuals