EasyManua.ls Logo

Honeywell ControlEdge 900 platform - Self-Powered 4-Wire Sinking Type Transmitter with UIO

Honeywell ControlEdge 900 platform
230 pages
Print Icon
To Next Page IconTo Next Page
To Next Page IconTo Next Page
To Previous Page IconTo Previous Page
To Previous Page IconTo Previous Page
Loading...
115
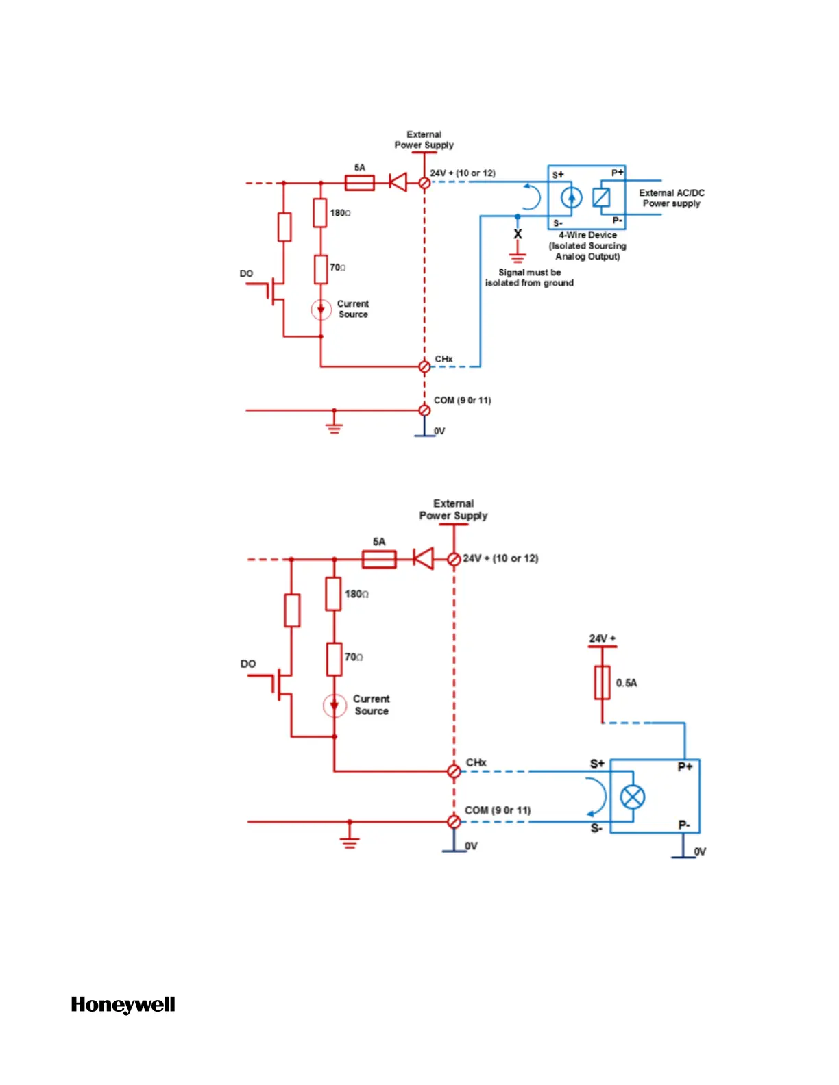
Figure 5-26: Self-powered 4-wire sinking type transmitter with UIO
UIO does not support the following input types:
n Self-powered 4-wire transmitter with ground-referenced current
source: This is because the current return path is on the negative

Table of Contents

Related product manuals