EasyManua.ls Logo

Honeywell ControlEdge 900 platform - Self-Powered 4-Wire Transmitter

Honeywell ControlEdge 900 platform
230 pages
Print Icon
To Next Page IconTo Next Page
To Next Page IconTo Next Page
To Previous Page IconTo Previous Page
To Previous Page IconTo Previous Page
Loading...
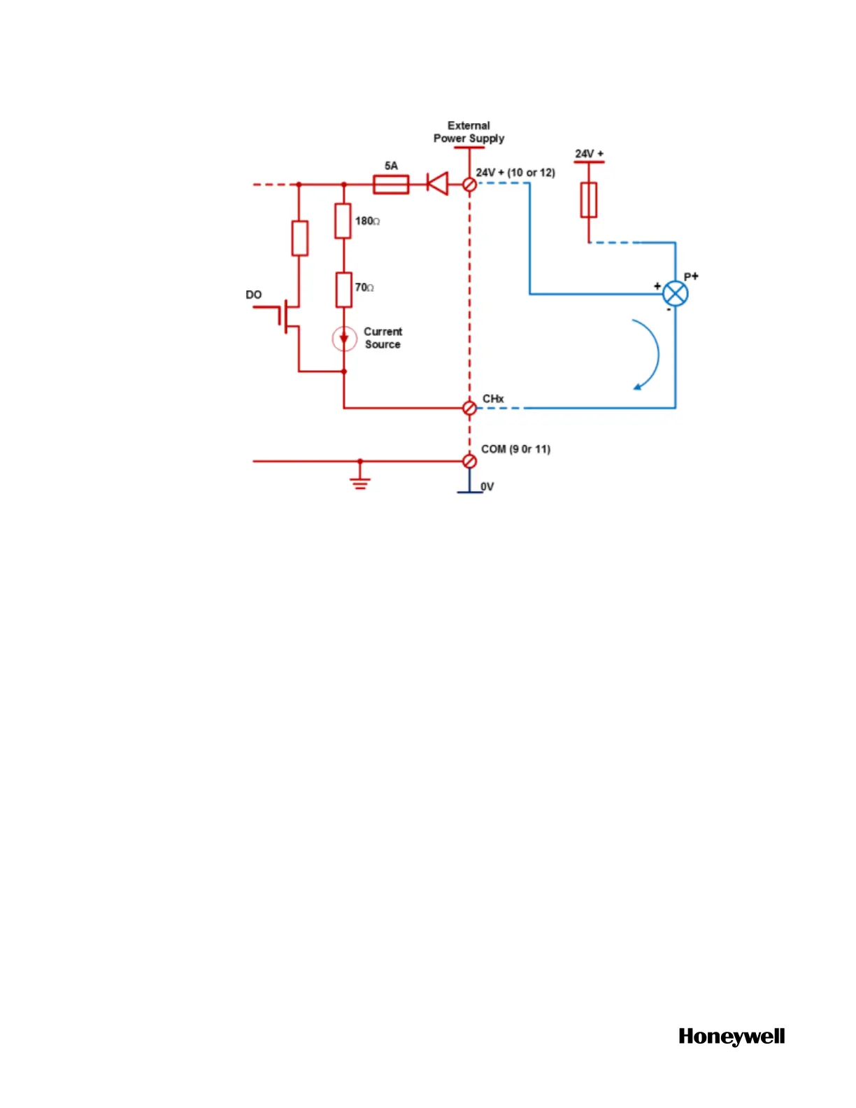
Self-powered 4-wire transmitter
This wiring method can be applied to any of the channels 1 through
16.
Figure 5-25: Self-powered 4-wire isolated sourcing type transmitter
with UIO
114

Table of Contents

Related product manuals