EasyManua.ls Logo

Leibinger JET3 Series - Print Head SK 4 - Option

Leibinger JET3 Series
406 pages
Print Icon
To Next Page IconTo Next Page
To Next Page IconTo Next Page
To Previous Page IconTo Previous Page
To Previous Page IconTo Previous Page
Loading...
Group 12 Appendix List of illustrations Page 389
JET3 Series Release 2.02
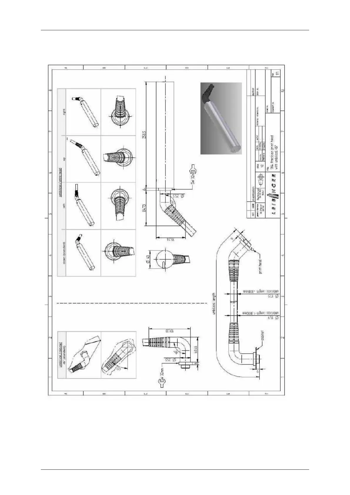
12.4.3 Print head SK 4 - Option

Table of Contents

Related product manuals