EasyManua.ls Logo

McHale Fusion 2 - Page 170

McHale Fusion 2
193 pages
Print Icon
To Next Page IconTo Next Page
To Next Page IconTo Next Page
To Previous Page IconTo Previous Page
To Previous Page IconTo Previous Page
Loading...
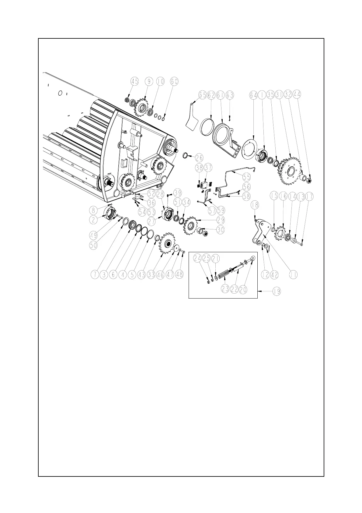
McHale Fusion 2 drive systems section
13-9
McHale Fusion 2 round baler wrapper technical service manual
Issue 1: 0208
13.5.2 Procedure for removing the sprocket from the roller
shaft (short and long shaft)
The sprockets are held on the roller shaft using a taper lock system
To remove the sprocket
1. Loosen the 30 mm Nut on the end of the roller shaft by 3 full turns.
2. To break the taper lock from the shaft. Give an impact blow using a mallet or a
hammer and piece of wood to the sprocket face in the direction of the
chamber.
3. Repeat this procedure until the sprocket becomes loose (one or two sharp
blows should be sufficient to break the lock).
4. Once the lock is broken the sprocket will slide off the shaft.
Note: This procedure applies to all sprockets with the exception of sprocket
(CMH00708) illustrated as 33 above. Sprocket CMH00708 fits onto a
splined shaft. For information on the removal of this sprocket, please
refer to section 13.3.4.

Table of Contents

Related product manuals