EasyManua.ls Logo

Micom P634 - Blocking the Output Relays

Micom P634
840 pages
Print Icon
To Next Page IconTo Next Page
To Next Page IconTo Next Page
To Previous Page IconTo Previous Page
To Previous Page IconTo Previous Page
Loading...
3.9.3 Blocking the Output Relays
m out of n
OUTP:
Fct.assignment K xxx
[ yyy xxx ]
Selected signal
Signal 1
Signal 2
Signal 3
Signal n
OUTP:
Outp.rel.block USER
[ 021 014 ]
0: No
1: Yes
0
1
0: don't execute
OUTP:
Reset latch. USER
[ 021 009 ]
0
1
1: execute
1
100 ms
1
R1
S1 1
OUTP:
Reset latch. EXT
[ 040 015 ]
OUTP:
Block outp.rel. EXT
[ 040 014 ]
MAIN:
Prot. ext. disabled
[ 038 046 ]
SFMON:
Hardware fault
304 950
1
1
1
1
1
1
1
1
FT_RC:
Record. in progress
[ 035 000 ]
1: execute
MAIN:
General reset EXT
[ 005 255 ]
MAIN:
General reset USER
[ 003 002 ]
FT_RC:
System disturb. runn
[ 035 004 ]
&
&
&
OUTP:
Oper. mode K xxx
[ xxx xxx ]
1: ES updating
2: ES manual reset
3: ES reset (fault)
4: ES reset (syst.dist)
5: NE updating
6: NE manual reset
64Z8838B
OUTP:
Latching reset
[ 040 088 ]
OUTP:
State K xxx
[ zzz zzz ]
1
1
1
2
3
4
5
6
-K xxx
OUTP:
Outp. relays blocked
[ 021 015 ]
&
&
&
&
&
OUTP:
Test in progress
402 107
=1
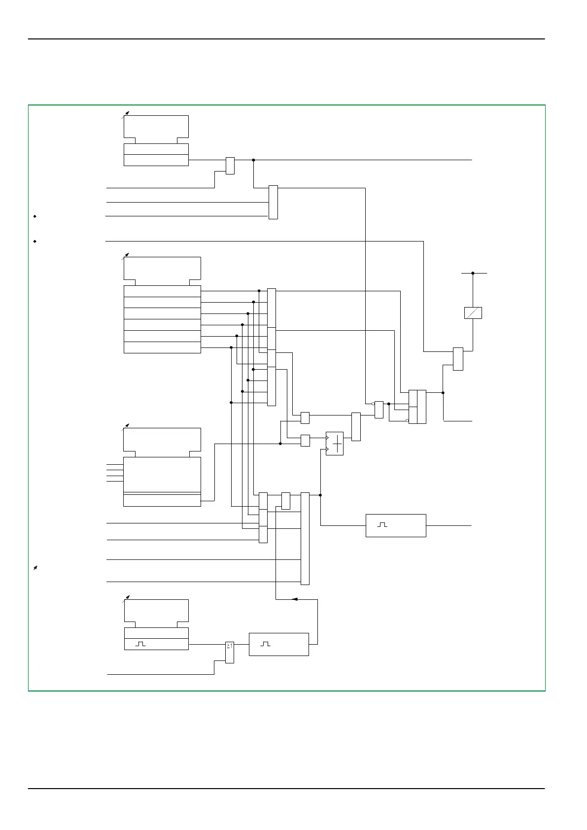
Fig. 3-29: Configuration, setting the operating mode, and blocking the output relays.
The P634 offers the option of blocking all output relays via setting parameters or
by way of an appropriately configured binary signal input. The output relays are
likewise blocked if the P634 is disabled via appropriately configured binary inputs
or if self-monitoring detects a hardware fault. Any output relay configured for
MAIN: Blocked/faulty will not be included in the blocking signals.
P634
3 Operation
3-46 P634/EN M/R-42-A // P634311653

Table of Contents

Related product manuals