EasyManua.ls Logo

Micom P634 - Page 118

Micom P634
840 pages
Print Icon
To Next Page IconTo Next Page
To Next Page IconTo Next Page
To Previous Page IconTo Previous Page
To Previous Page IconTo Previous Page
Loading...
m out of n
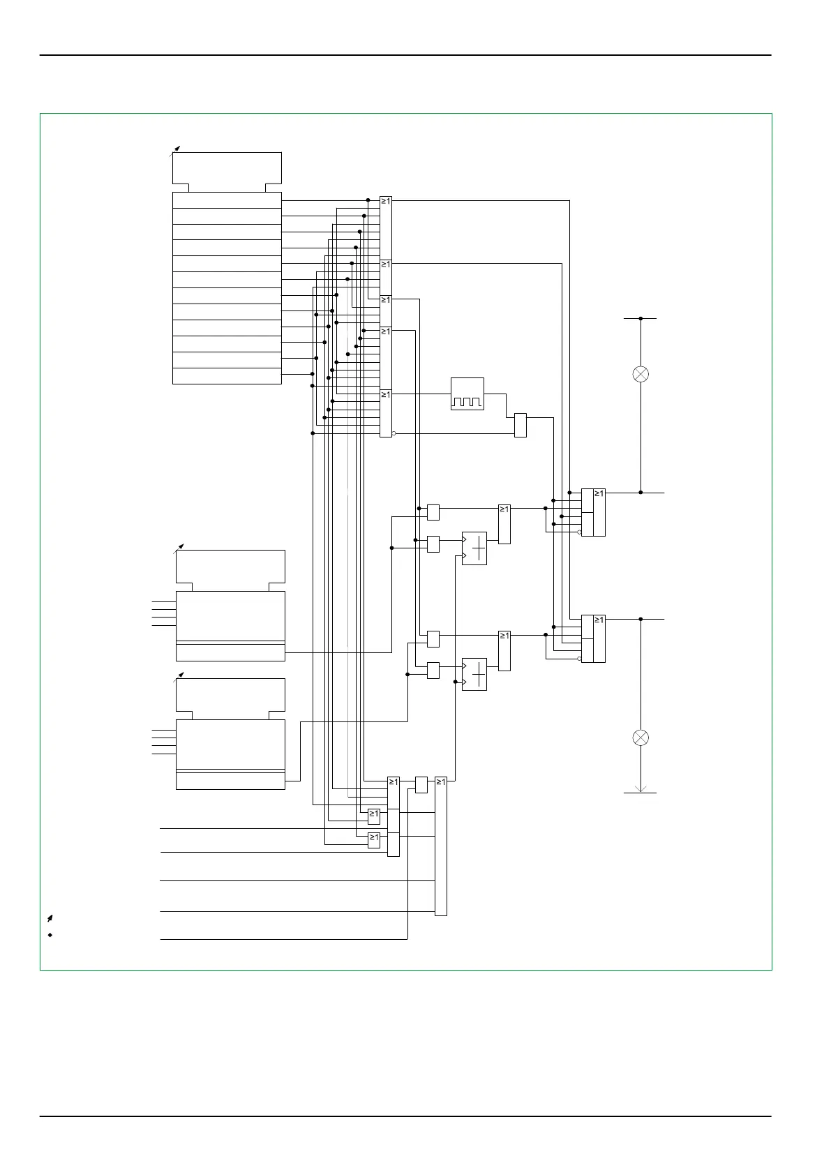
LED:
Fct.assig. Hxx red
[ yyy yyy ]
Selected signals
Signal 1
Signal 2
Signal 3
Signal n
R1
S1 1
FT_RC:
Record. in progress
[ 035 000 ]
1: execute
MAIN:
General reset EXT
[ 005 255 ]
MAIN:
General reset USER
[ 003 002 ]
FT_RC:
System disturb. runn
[ 035 004 ]
&
&
&
LED:
Oper. mode H xx
[ xxx xxx ]
1: ES updating
2: ES manual reset
3: ES reset (fault)
4: ES reset (syst.dist)
5: NE updating
6: NE manual reset
45Z8000A
LED:
State Hxx red
[ zzz zzz ]
1
2
3
4
5
6
-Hxx (red)
&
&
&
&
MAIN:
Reset LED
306 020
7: ES updating bl
8: ES manual reset bl
9: ES reset (fault) bl
10: ES rst (syst.dst) bl
11: NE updating bl
12: NE manual reset bl
m out of n
LED:
Fct.assig. Hxx green
[ yyy yyy ]
Selected signals
Signal 1
Signal 2
Signal 3
Signal n
R1
S1 1
LED:
State Hxx green
[ zzz zzz ]
&
&
&
&
-Hxx (green)
7
8
9
10
11
12
! G !
1
Fig. 3-38: Configuration and Operating Mode of the LED Indicators.
P634
3 Operation
3-62 P634/EN M/R-42-A // P634311653

Table of Contents

Related product manuals