EasyManua.ls Logo

Micom P634 - Page 120

Micom P634
840 pages
Print Icon
To Next Page IconTo Next Page
To Next Page IconTo Next Page
To Previous Page IconTo Previous Page
To Previous Page IconTo Previous Page
Loading...
64Z8001A
A
B
C
a
b c
1U
2U
1IA
1IB
1IC
1IN
2IA
2IB
2IC
2IN
3IA
3IB
3IC
3IN
A B C
MAIN:
Vnom V.T. sec.
[ 010 009 ]
MAIN:
Inom device, end a
[ 010 024 ]
MAIN:
IY,nom device, end a
[ 010 142 ]
MAIN:
Conn.meas.circ. IP,a
[ 010 140 ]
MAIN:
Conn.meas.circ. IY,a
[ 010 141 ]
1: Standard
2: Opposite
(Y = 1)
(Y = -1)
MAIN:
Inom device, end b
[ 010 025 ]
MAIN:
IY,nom device, end b
[ 010 143 ]
MAIN:
Conn.meas.circ. IP,b
[ 010 150 ]
MAIN:
Conn.meas.circ. IY,b
[ 010 151 ]
1: Standard
2: Opposite
(Y = 1)
(Y = -1)
MAIN:
Inom device, end c
[ 010 029 ]
MAIN:
IY,nom device, end c
[ 010 144 ]
MAIN:
Conn.meas.circ. IP,c
[ 010 160 ]
MAIN:
Conn.meas.circ. IY,c
[ 010 161 ]
1: Standard
2: Opposite
(Y = 1)
(Y = -1)
V
IA,a
IB,a
IC,a
IY,a
IA,b
IB,b
IC,b
IY,b
IA,c
IB,c
IC,c
IY,c
P634
A B C
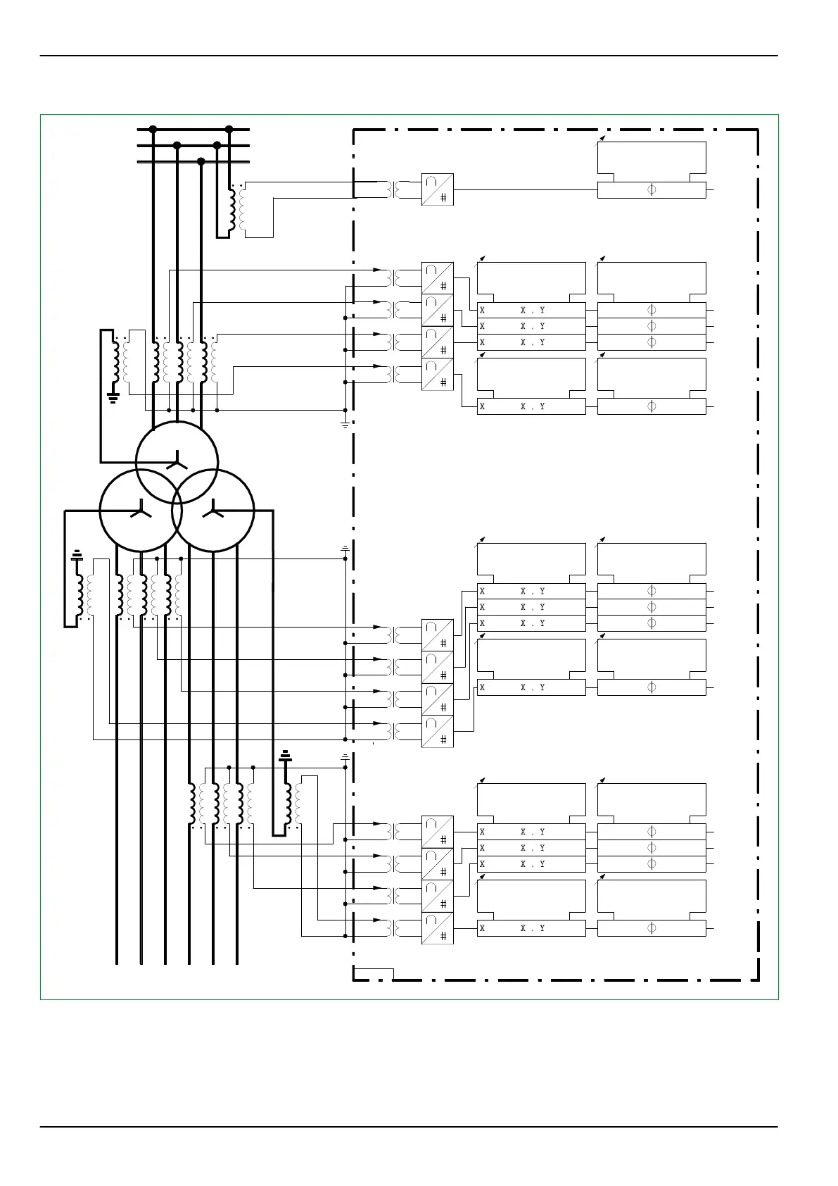
Fig. 3-39: Connection of the measured values to the P634, connection of the fourth current transformer set to the
transformers of the neutral-point-to-ground connections.
P634
3 Operation
3-64 P634/EN M/R-42-A // P634311653

Table of Contents

Related product manuals