EasyManua.ls Logo

Micom P634 - Page 127

Micom P634
840 pages
Print Icon
To Next Page IconTo Next Page
To Next Page IconTo Next Page
To Previous Page IconTo Previous Page
To Previous Page IconTo Previous Page
Loading...
64Z8011A
< 0.05 Inom
IA,a
&
1
1
1
S
R
IB,a
IC,a
>1
&
MAIN:
Disconnect End a EXT
[ 041 019 ]
&
1
1
1
S
R
&
&
1
1
1
S
R
&
&
1
1
1
S
R
&
< 0.05 Inom
>1
< 0.05 Inom
>1
< 0.05 Inom
>1
IA,b
IB,b
IC,b
IA,c
IB,c
IC,c
IA,d
IB,d
IC,d
&
&
&
&
MAIN:
Disconnect End b EXT
[ 041 107 ]
MAIN:
Disconnect End c EXT
[ 041 128 ]
MAIN:
Disconnect End d EXT
[ 041 129 ]
MAIN:
En. disc. end x EXT
[ 041 148 ]
MAIN:
End d disconnected
[ 041 168 ]
SFMON:
Unsuff. No. of ends
[ 091 010 ]
MAIN:
End c disconnected
[ 041 159 ]
MAIN:
End b disconnected
[ 041 158 ]
MAIN:
End a disconnected
[ 041 149 ]
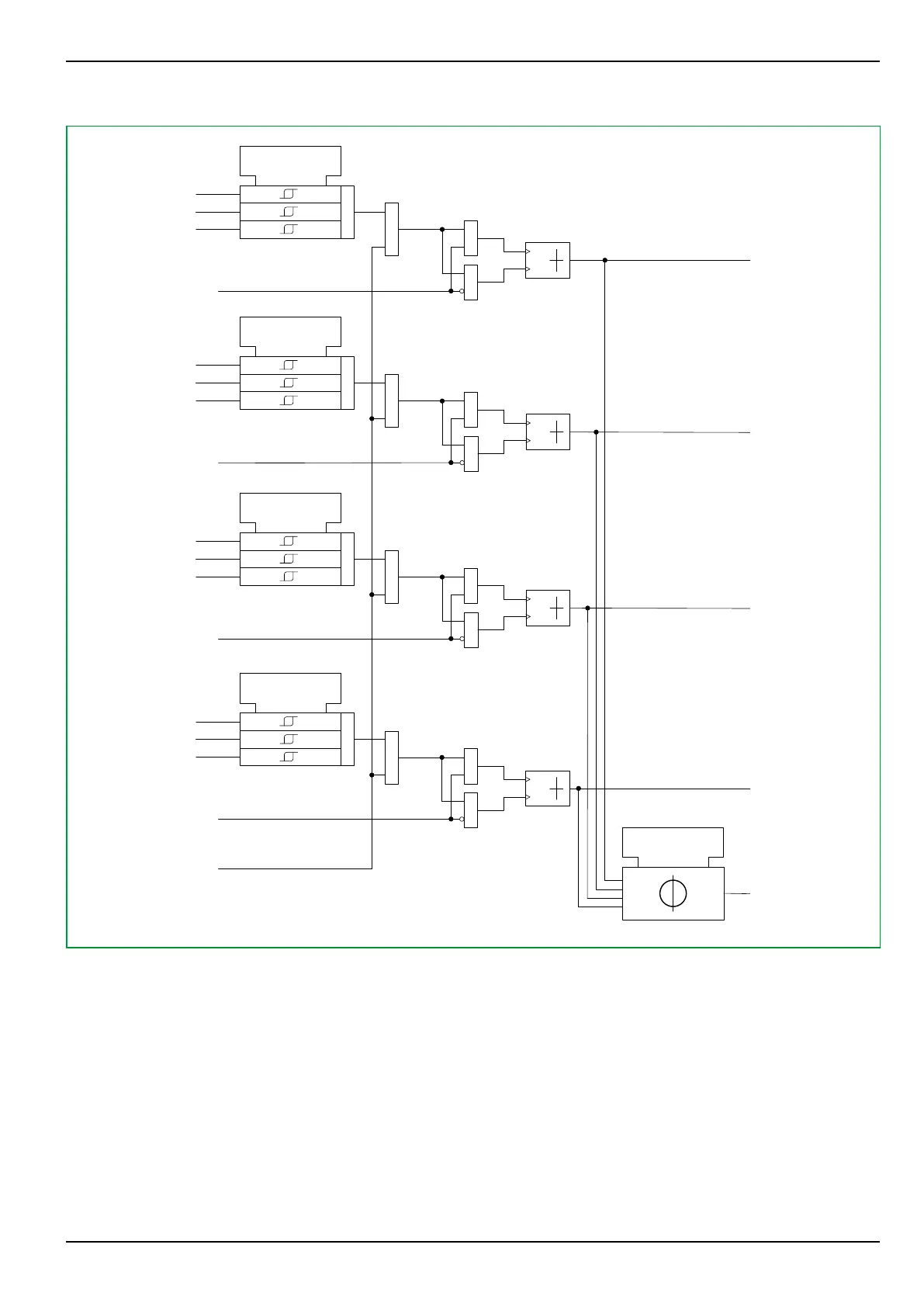
Fig. 3-42: Disconnection logic
3 Operation
P634
P634/EN M/R-42-A // P634311653 3-71

Table of Contents

Related product manuals