EasyManua.ls Logo

Micom P634 - Page 273

Micom P634
840 pages
Print Icon
To Next Page IconTo Next Page
To Next Page IconTo Next Page
To Previous Page IconTo Previous Page
To Previous Page IconTo Previous Page
Loading...
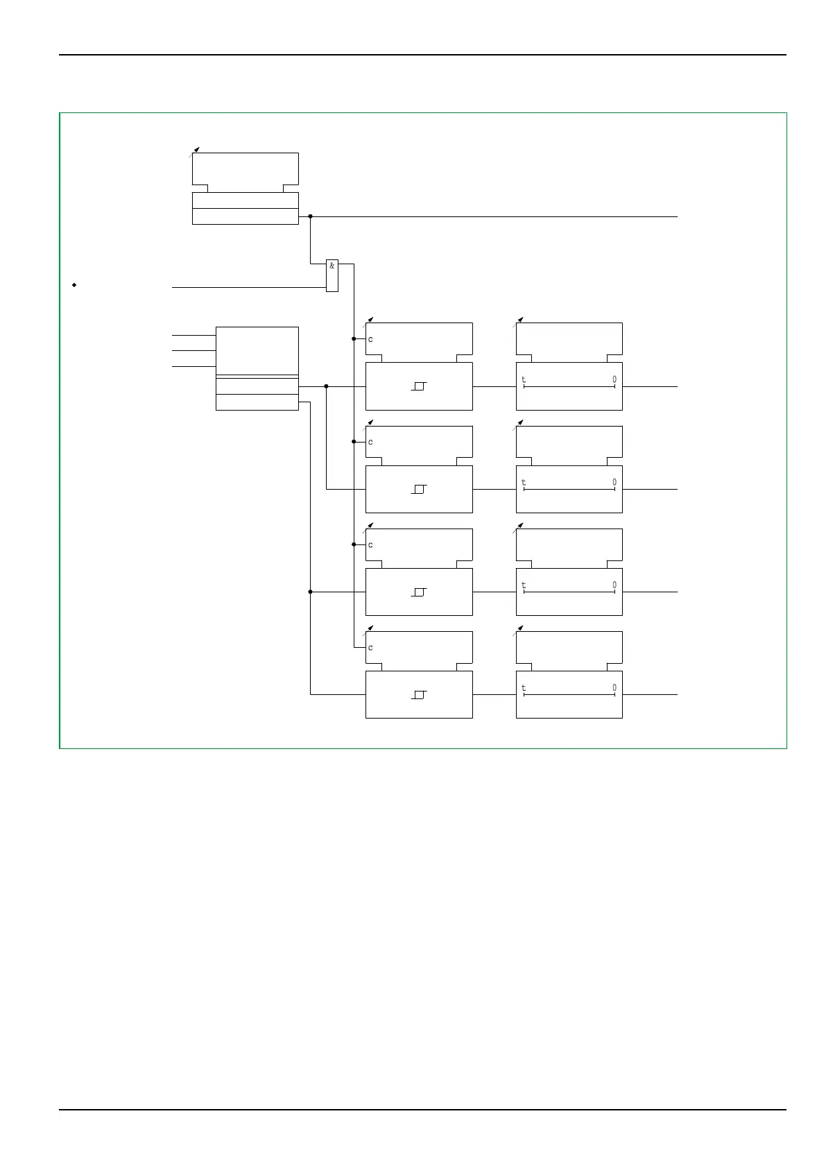
64Z5081A
LIM_1:
Enabled
[ 040 123 ]
LIM_1:
tI> elapsed
[ 040 122 ]
LIM_1:
tI>> elapsed
[ 037 201 ]
LIM_1:
tI< elapsed
[ 037 202 ]
LIM_1:
tI<< elapsed
[ 037 203 ]
LIM_1:
I>
[ 015 116 ]
LIM_1:
I>>
[ 015 117 ]
LIM_1:
I<
[ 015 118 ]
LIM_1:
I<<
[ 015 119 ]
LIM_1:
tI>
[ 015 120 ]
LIM_1:
tI>>
[ 015 121 ]
LIM_1:
tI<
[ 015 122 ]
LIM_1:
tI<<
[ 015 123 ]
IA,y
IB,y
IC,y
LIM_1:
General enable USER
[ 014 014 ]
MAIN:
Protection active
306 001
1: Yes
0: No
0
1
Imax
Imin
COMP
Fig. 3-172: Limit value monitoring of minimum and maximum phase current
3 Operation P634
P634/EN M/R-42-A // P634311653 3-217

Table of Contents

Related product manuals