EasyManua.ls Logo

Penlon Prima 460 - Bacterial Filter

Penlon Prima 460
138 pages
Print Icon
To Next Page IconTo Next Page
To Next Page IconTo Next Page
To Previous Page IconTo Previous Page
To Previous Page IconTo Previous Page
Loading...
Prma 460 108 User Manual
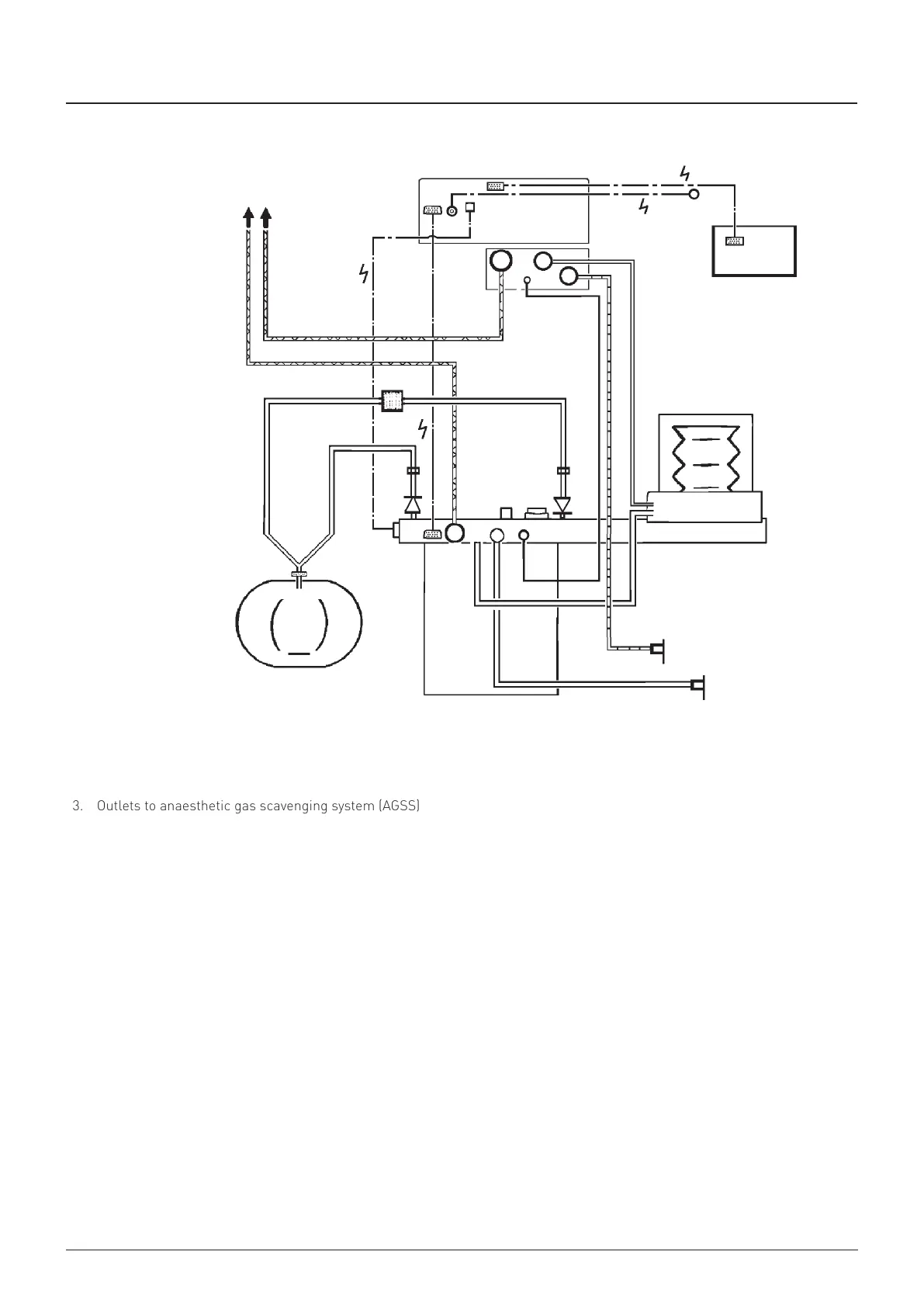
Appendix 5
Breathng System
schematc
NOTE
1 Interface cablng
s shown for the
connecton between
the anaesthesa
system swtch and
the absorber Bag/
Vent swtch
24
25
23
26
30
19
20
2
12
18
4
7
6
11
14
29
26
28
15 17 12
16 27
10
13
5
1
21
22
9
8
1 Bellows
2 Ventlator nterface
3 Outlets to anaesthetc gas scavengng system (ASS)
4 Bacteral flter
5 Absorber valve block
6 Heat and mosture exchanger (a combned unt wth a
bacteral flter can be used - see secton 6314)
7 Patent
8 ommon gas outlet on anaesthetc machne (fresh gas
supply to absorber)
9 Auxlary outlet on anaesthetc machne (drve gas supply
to ventlator)
10 Flow sensor - expratory
11 Flow sensor - nspratory
12 onnectors - sensor - pressure montor
13 Expratory valve - absorber
14 Inspratory valve - absorber
15 Bellows drve gas nlet - from ventlator control unt
16 onnector - reservor bag
17 Inlet - absorber - fresh gas supply
18 Drve gas nlet - ventlator
19 Drve gas outlet - ventlator control unt to bellows
20 Outlet - exhaust valve
21 Inlet - bellows drve gas
22 Outlet - to breathng system
23 Input socket - oxygen montor sensor (fuel cell type)
24 Input socket - Prma nterface (on/off swtch)
25 Input socket
a) Absorber bag/vent control poston
b) Sprometer sensor sgnal
26 Interface connectons
27 APL valve
28 Outlet from APL Valve to ASS
29 Oxygen sensor
30 Dsplay
31 Patent block
3
31

Table of Contents

Related product manuals