EasyManua.ls Logo

Schweitzer Engineering SEL-351P - Page 236

Default Icon
674 pages
Print Icon
To Next Page IconTo Next Page
To Next Page IconTo Next Page
To Previous Page IconTo Previous Page
To Previous Page IconTo Previous Page
Loading...
4-14 Loss-of-Potential, Load Encroachment, and Directional Element Logic Date Code 990430
SEL-351P Manual Técnico
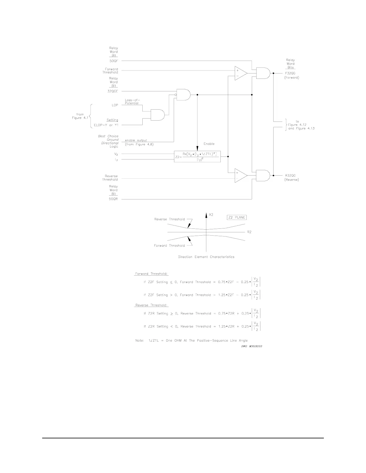
Figure SECTION 4: .9: Negative-Sequence Voltage-Polarized Directional Element
for Neutral Ground and Residual Ground Overcurrent Elements

Table of Contents