EasyManua.ls Logo

SCHWIND Amaris 500E - Plume Evacuation System - External; Video Extender HDMI; Figure 4-18: Overview AMARIS Video Extender Connection; Figure 4-19: HDMI Female Connector at the Main Supply Connector Plate

Default Icon
201 pages
Print Icon
To Next Page IconTo Next Page
To Next Page IconTo Next Page
To Previous Page IconTo Previous Page
To Previous Page IconTo Previous Page
Loading...
USER MANUAL (Instruction for Use) SW 6.1
Device / System Description
Version 6.1.6 dated 2020-01-31 EN Page 70 of 201
4.14.9 Plume Evacuation System - External
As an option, the aforementioned external Plume Evacuation System can be installed in all
AMARIS models instead of the previous default system containing the particle aspiration nozzle
(for a detailed description of the external plume evacuation system refer to chapter 4.11 Plume
Evacuation System).
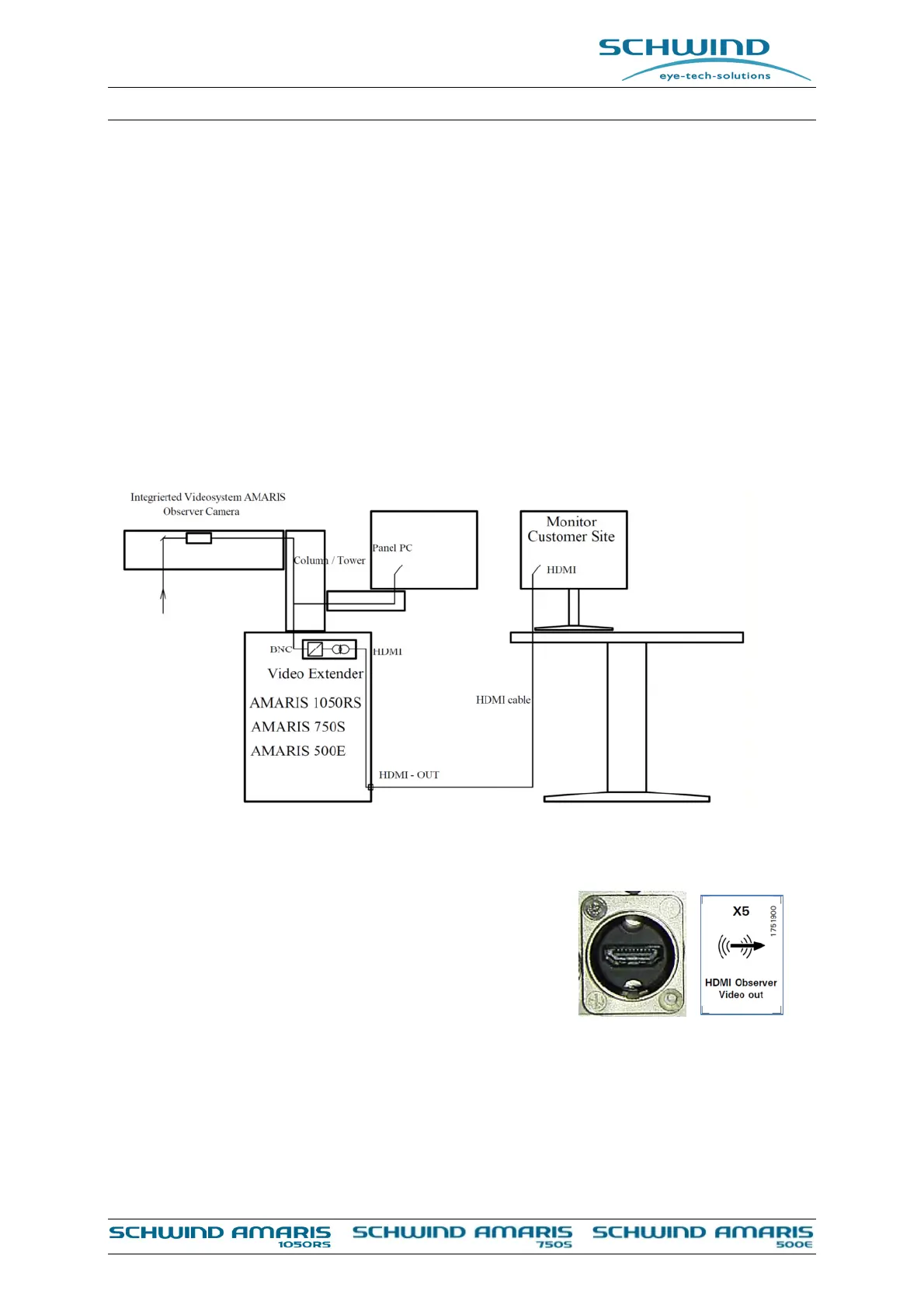
4.14.10 Video Extender HDMI
The Video Extender HDMI is an option, which allows the customer to connect a HDMI-input-
Monitor to observe the signal from the observer camera. Pre-condition is the the installed
Videosystem AMARIS. At customers site a TV Monitor or a computer monitor can be used. The
video signal is provided at the connector plate as a HDMI female connector.
Figure 4-18: Overview AMARIS Video Extender connection
The HDMI output delivers a HDMI signal, which is isolated
from AMARIS power supply.
The monitor has to be placed outside the patient area and
it can be supplied by external voltage.
The connector is labelled with “X5”
Figure 4-19: HDMI female connector at the main supply connector plate

Table of Contents

Related product manuals