EasyManua.ls Logo

Suzuki DF70A - Diagnostic Information and Procedure; ECM Power and Ground Circuit Check

Suzuki DF70A
342 pages
Print Icon
To Next Page IconTo Next Page
To Next Page IconTo Next Page
To Previous Page IconTo Previous Page
To Previous Page IconTo Previous Page
Loading...
1A-20 Engine General Information and Diagnosis:
Diagnostic Information and Procedure
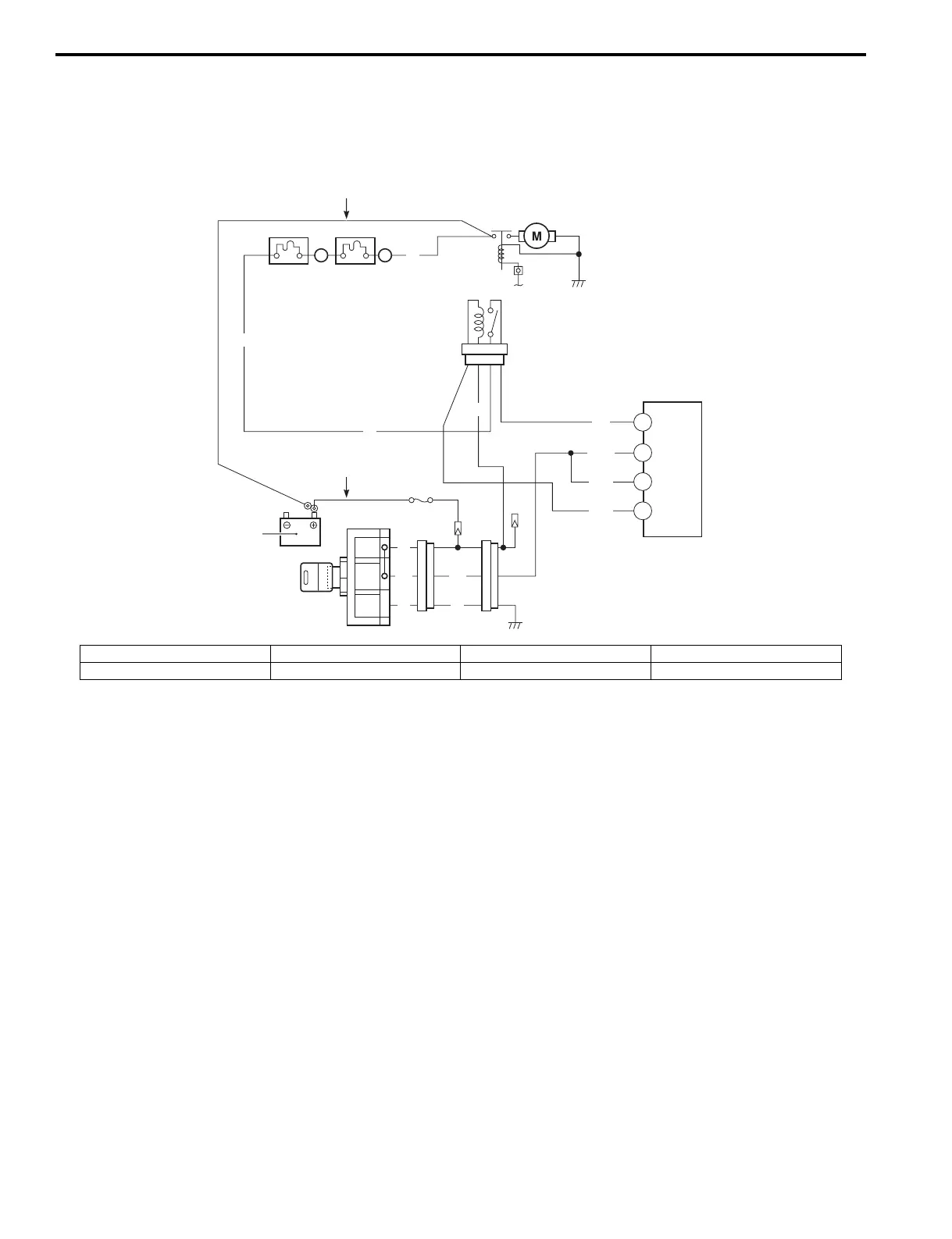
ECM Power and Ground Circuit Check
Z9J0111104001
Wiring Diagram
Circuit Description
When the ignition switch is turned “ON”, the main relay turns “ON” (the contact point closes) and the main power is
supplied to the ECM.
BATT
ECM
IG
GND
12
36
Gr
W
W
R
W
B
Gr
B
Gr
B/Bl
B/G
15
W
35
R/B
1
3
4
2
7
5
6
8
I9J011110018-03
1. Starter motor 3. 40 amp. fuse 5. ECM main relay 7. Sub-battery cable
2. Main battery cable 4. 30 amp. fuse 6. 15 amp. fuse 8. Battery
http://SelfFixer.com

Table of Contents

Other manuals for Suzuki DF70A

Related product manuals