EasyManua.ls Logo

Suzuki DF70A - Service Instructions; Lower Unit Components

Suzuki DF70A
342 pages
Print Icon
To Next Page IconTo Next Page
To Next Page IconTo Next Page
To Previous Page IconTo Previous Page
To Previous Page IconTo Previous Page
Loading...
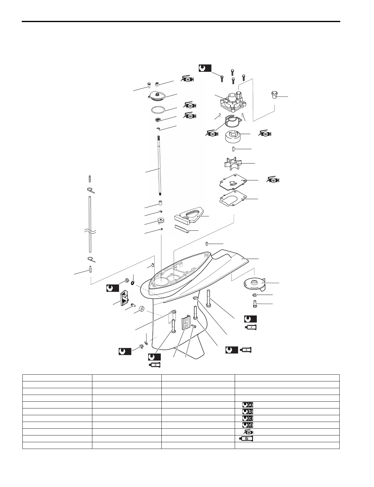
3A-2 Right Hand Rotation Unit:
Service Instructions
Lower Unit Components
Z9J0113106001
1
2
3
5
6
4
8
9
6
6
7
10
11
(a)
18
(a)
18
22
20
21
19
19
(b)
25
26
23 24
26
(c)
27
15
16
17
14
36
35
34
33
31
32
11
12
13
30
30
29
(d)
28
37
(b)
25
I9J011310019-07
1. Cover 12. Exhaust tube housing seal 23. Water filter PORT 34. Water pump impeller
2. Bolt 13. Exhaust seal plate 24. Screw 35. Under panel
3. Shift rod guide housing 14. Gearcase 25. Bolt 36. Gasket
4. O-ring 15. Trim tab 26. Washer 37. Bush
5. Oil seal 16. Washer 27. Bolt : 10 Nm (1.1 kgf-m, 7.2 lbf-ft)
6. E-ring 17. Bolt 28. Bolt : 55 Nm (5.5 kgf-m, 40 lbf-ft)
7. Shift rod 18. Plug 29. Water pump case : 55 Nm (5.5 kgf-m, 40 lbf-ft)
8. Magnet 19. Gasket 30. Dowel pin : 17 Nm (1.7 kgf-m, 12.3 lbf-ft)
9. Shifter yoke 20. Anode 31. Case sealing : Apply SUZUKI Water Resistant Grease.
10. Nipple 21. Bolt 32. Inner sleeve : Apply SUZUKI Silicon seal.
11. Dowel pin 22. Water filter STBD 33. Key
http://SelfFixer.com

Table of Contents

Other manuals for Suzuki DF70A

Related product manuals