EasyManua.ls Logo

TOHATSU BFT75A - Page 375

TOHATSU BFT75A
609 pages
Print Icon
To Next Page IconTo Next Page
To Next Page IconTo Next Page
To Previous Page IconTo Previous Page
To Previous Page IconTo Previous Page
Loading...
14-16
dummyheaddummyhead
CYLINDER HEAD
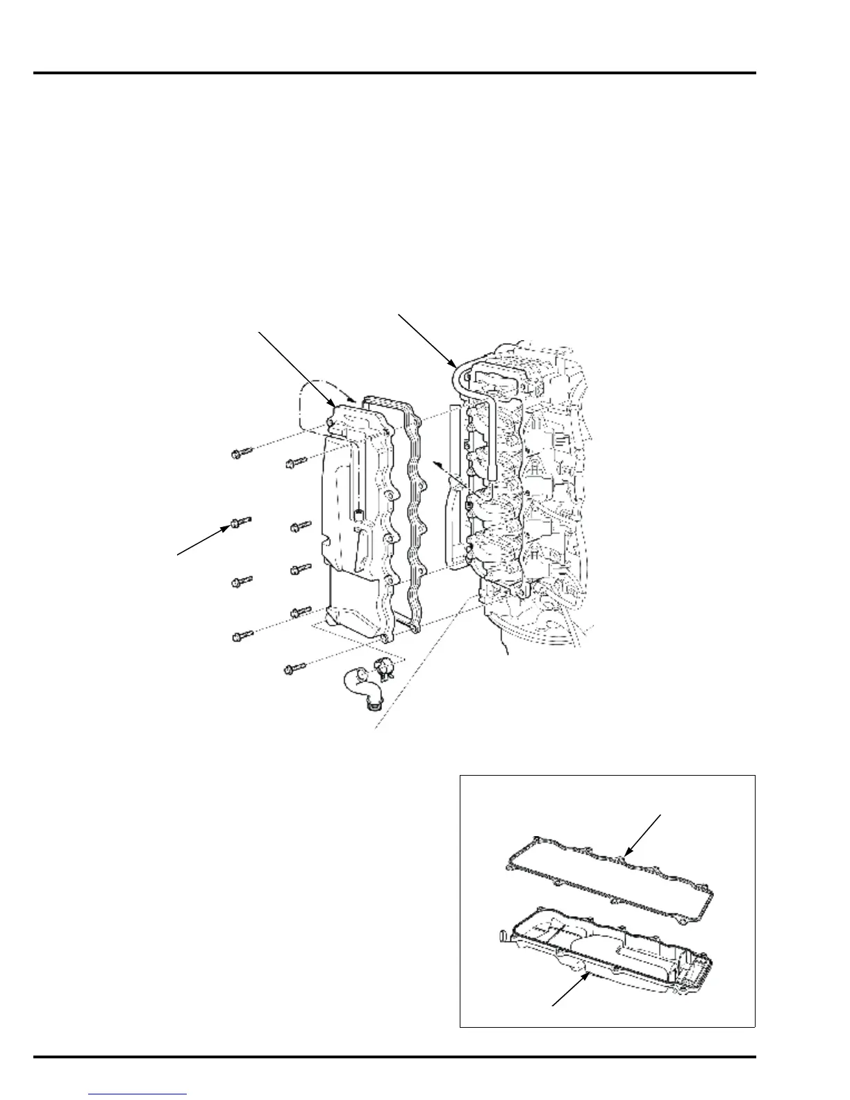
Disconnect breather tube [1] from the cylinder head
cover [2].
Remove the nine bolts [3], and remove the cylinder
head cover.
Oil leaks out when the cylinder head cover is
removed. Catch the leaking oil with a shop towel and
a suitable container, and wipe up any spilled oil.
Disconnect the oil tube and remove the head cover
gasket from the cylinder head cover.
Check the head cover gasket for damage and deterioration, and replace if necessary.
INSTALLATION
Clean the groove of the cylinder head cover [1], and
clean the head cover gasket [2].
Install the head cover gasket on the cylinder head
cover.
[3]
[2]
[1]
[2]
[1]

Table of Contents