EasyManua.ls Logo

TOHATSU BFT75A - Page 9

TOHATSU BFT75A
609 pages
Print Icon
To Next Page IconTo Next Page
To Next Page IconTo Next Page
To Previous Page IconTo Previous Page
To Previous Page IconTo Previous Page
Loading...
0-7
dummyheaddummyhead
How to use this manual
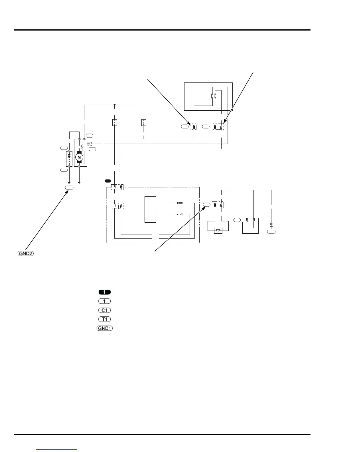
HOW TO READ A WIRING DIAGRAM
*1'
*1'
7
&
7
7


:
%O
:
:%O
::
:
%O:
%O:
%O%X
:
:<
%X
%O
%O%X
%O
%X
%O
%O:
:%O
%O:
:%O
:%O
%O:
:%O
%O:
%$77(5<
ղ)86(
㸦$㸧
ն)86(
㸦$㸧
67$57(5
02725
67$57(5
3*0),0$,15(/$<
23
%$7
67

1(875$/
6:,7&+
&20%,1$7,21
6:,7&+
-2,17&211(&725
SYMBOL OF TERMINAL
It shows the shape of each terminal to identify
whether it is a male or female terminal.
TERMINAL No.
CONNECTOR/TERMINAL No.
Every connector and terminal has a number to help the users find the location and shape of
the connector and the terminal arrangement by referring to the “Connector general layout
drawing” and/or the “Connector drawing.” All the connector/terminal numbers shown in this
Service Manual are either of those shown in this section.
Indicates the ground.
(Circled GND followed with No. in
white background)
: Connector that joins a harness to a harness (Circled No. in black background)
: Connector that connects to electrical equipment (Circled No. in white background)
: Connector (Circled C followed with No. in white background)
: Terminal (Circled T followed with No. in white background)
: Ground (Circled GND followed with No. in white background)

Table of Contents

Related product manuals