EasyManua.ls Logo

Xerox Phaser 7760 - Page 359

Xerox Phaser 7760
564 pages
Print Icon
To Next Page IconTo Next Page
To Next Page IconTo Next Page
To Previous Page IconTo Previous Page
To Previous Page IconTo Previous Page
Loading...
January 2010
2-323
Phaser 7760 Color Laser Printer
012-945
Status Indicator RAP’s
Revised
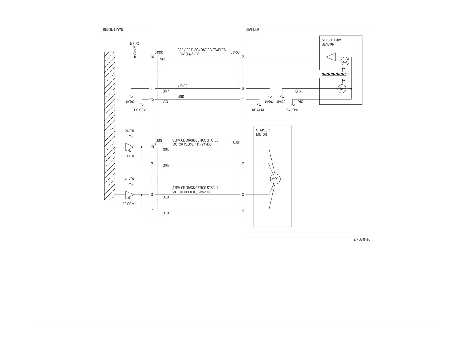
Figure 1 012-945 Low Staple

Table of Contents