EasyManua.ls Logo

ABB ACS880 - Page 500

ABB ACS880
646 pages
To Next Page IconTo Next Page
To Next Page IconTo Next Page
To Previous Page IconTo Previous Page
To Previous Page IconTo Previous Page
Loading...
Def / Type
FbEq 16b / 32b
DescriptionName / Range /
Selection
No.
1The drive control unit is powered from an external power
supply. The drive power unit and power unit link faults are
masked when the drive is in stopped state, so the main
circuit can be powered down without faults while the control
unit is powered.
External 24V
2
(Type BCU control units only)
The drive control unit is powered from two redundant
external power supplies. The loss of one of the supplies
generates a warning (AFEC External power signal missing).
The drive power unit and power unit link faults are masked
when the drive is in stopped state, so the main circuit can
be powered down without faults while the control unit is
powered.
Redundant external
24V
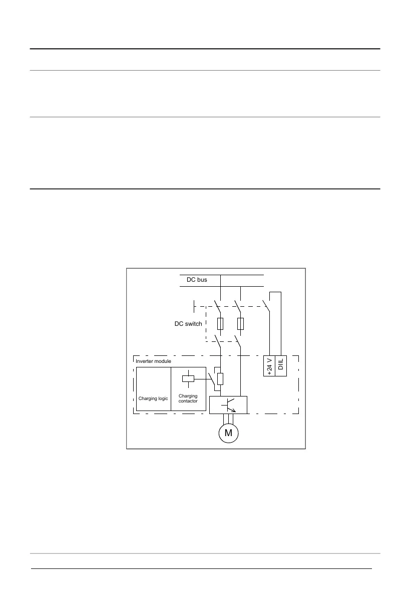
Disable; Enable (95.20
b5) / uint16
(Only visible with a ZCU control unit)
Enables/disables DC switch monitoring via the DIIL input.
This setting is intended for use with inverter modules with
an internal charging circuit that are connected to the DC
bus through a DC switch.
An auxiliary contact of the DC switch must be wired to the
DIIL input so that the input switches off when the DC switch
is opened.
M
+24 V
DIIL
DC bus
DC switch
Inverter module
Charging
contactor
Charging logic
If the DC switch is opened with the inverter running, the
inverter is given a coast-to-stop command, and its charging
circuit activated.
Starting the inverter is prevented until the DC switch is
closed and the DC circuit in the inverter unit recharged.
Note: By default, DIIL is the input for the Run enable signal.
Adjust 20.12 Run enable 1 source if necessary.
Note: An internal charging circuit is standard on some
inverter module types but optional on others; check with
your local ABB representative.
DC switch monitoring95.8
500 Parameters

Table of Contents

Other manuals for ABB ACS880

Related product manuals