183100001.DWG ()
2 of 3
90 JIC Hose End
8-8
J IC MM F Run Tee
16-16- 16
JIC 9 0 Bul khead
8-8
8-8
Straight JIC Hose End
8-8
Straight JIC Hose End
8-8
Straight JIC Hose End
8-8
Straight JIC Hose End
8-8
Straight JIC Hose End
JIC Bul khead Tee
8-8-8
JIC Bul khead Tee
8-8-8
JIC Bul khead Tee
8-8-8
8-8
Straight JIC Hose End
8-8
Straight JIC Hose End
8-8
Straight JIC Hose End
8-8
Straight JIC Hose End
8-8
Straight JIC Hose End
8-8
Straight JIC Hose End
8-8
Straight JIC Hose End
8-8
Straight JIC Hose End
90 JIC Hose End
8-8
90 JIC Hose End
8-8
8-8
Straight JIC Hose End
8-8
Straight JIC Hose End
8-8
Straight JIC Hose End
JIC Bul khead Tee
8-8-8
8-8
Straight JIC Hose End
8-8
Straight JIC Hose End
90 JIC Hose End
8-8
90 JIC Hose End
8-8
8-8
Straight JIC Hose End
8-8
Straight JIC Hose End
ORB x JIC Straight
8-8
ORB x JIC Straight
8-8
JIC Bul khead Tee
8-8-8
8-8
Straight JIC Hose End
8-8
Straight JIC Hose End
90 JIC Hose End
8-8
8-8
Straight JIC Hose End
JIC Bul khead Tee
8-8-8
8-8
Straight JIC Hose End
90 JIC Hose End
8-8
8-8
Straight JIC Hose End
ORB x JIC Straight
8-8
ORB x JIC Straight
8-8
8-8
Straight JIC Hose End
8-8
Straight JIC Hose End
90 JIC Hose End
8-8
8-8
Straight JIC Hose End
8-8
Straight JIC Hose End
ORB x JIC Straight
8-8
8-8
Straight JIC Hose End
ORB x JIC Straight
8-8
90 JIC Hose End
8-8
90 JIC Hose End
8-8
8-8
Straight JIC Hose End
90 JIC Hose End
8-8
8-8
Straight JIC Hose End
90 JIC Hose End
8-8
90 JIC Hose End
8-8
8-8
Straight JIC Hose End
8-8
Straight JIC Hose End
90 JIC Hose End
8-8
8-8
Straight JIC Hose End
8-8
Straight JIC Hose End
JIC MMM Tee
8-8-8
JIC Bul khead Tee
8-8-8
8-8
Straight JIC Hose End
ORB x JIC Straight
8-8
ORB x JIC Straight
8-8
90 JIC Hose End
8-8
JIC MMM Tee
8-8-8
JIC Bul khead Tee
8-8-8
90 JIC Hose End
8-8
8-8
Straight JIC Hose End
8-8
Straight JIC Hose End
90 JIC Hose End
8-8
8-8
Straight JIC Hose End
8-8
Straight JIC Hose End
90 JIC Hose End
8-8
8-8
Straight JIC Hose End
90 JIC Hose End
8-8
8-8
Straight JIC Hose End
ORB x JIC Straight
8-8
ORB x JIC Straight
8-8
8-8
Straight JIC Hose End
8-8
Straight JIC Hose End
90 JIC Hose End
8-8
8-8
Straight JIC Hose End
8-8
Straight JIC Hose End
ORB x JIC Straight
8-8
ORB x JIC Straight
8-8
8-8
Straight JIC Hose End
90 JIC Hose End
8-8
8-8
Straight JIC Hose End
8-8
Straight JIC Hose End
8-8
Straight JIC Hose End
90 JIC Hose End
8-8
8-8
Straight JIC Hose End
8-8
Straight JIC Hose End
JIC Bul khead Tee
8-8-8
JIC Bul khead Tee
8-8-8
JIC Bul khead Tee
8-8-8
JIC Bul khead Tee
8-8-8
8-8
Straight JIC Hose End
8-8
Straight JIC Hose End
8-8
Straight JIC Hose End
90 JIC Hose End
8-8
ORB x JIC Straight
10-8
ORB x JIC Straight
10-8
JIC MMM Tee
8-8-8
JIC MMM Tee
8-8-8
JIC 90 Bulkhead
8-8
JIC 90 Bulkhead
8-8
JIC 90 Bulkhead
8-8
JIC 90 Bulkhead
8-8
JIC 90 Bulkhead
8-8
BSP x JIC Straight
12-8
BSP x JIC Straight
12-8
BSP x JIC Straight
4-4
ORB x JIC Straight
10-8
8-8
Straight JIC Hose End
MJIC X FJIC REDUCER
8-16
16-16
Straight JIC Hose End
16-16
Straight JIC Hose End
16-16
Straight JIC Hose End
16-16
Straight JIC Hose End
ORB x JIC 90 Elbow
12-16
ORB x JIC 90 Elbow
12-16
6-8
ORB x FJIC Straight
90 JIC Hose End
8-8
8-8
Straight JIC Hose End
OR B x JIC 90 Elbow
8-8
ORB x JIC Straight
8-8
8-8
Straight JIC Hose End
8-8
Straight JIC Hose End
ORB x JIC Straight
8-8
ORB x JIC Straight
8-8
90 JIC Hose End
4-4
8-8
Straight JIC Hose End
8-8
Straight JIC Hose End
8-8
Straight JIC Hose End
8-8
Straight JIC Hose End
4-4
Straight JIC H ose E nd
DS
ODS
ORB x JIC Straight
6-8
ORB x JIC Straight
12-8
ORB x JIC Straight
12-8
45 JIC Hose End
8-8
ORB x JIC 90 Elbow
8-8
ORB x JIC 90 Elbow
8-8
ORB x JIC 90 Elbow
8-8
ORB x JIC 90 Elbow
8-8
ORB x JIC 90 Elbow
8-8
ORB x JIC 90 Elbow
8-8
8-8
ORB x JIC 45 ELBOW
8-8
St raigh t J IC Hose En d
8-8
ORB x JIC 45 ELBOW
8-8
ORB x JIC 45 ELBOW
8-8
ORB x JIC 45 ELBOW
8-8
ORB x JIC 45 ELBOW
8-8
St raigh t J IC Hose En d
8-8
St raigh t J IC Hose En d
8-8
St raigh t J IC Hose En d
8-8
Straight JIC Hose End
8-8
Straight JIC Hose End
ORB x JIC Straight
10-8
ORB x JIC Straight
10-8
L ong 90 JI C Hose End
8-8
8-8
Straight JIC Hose End
8-8
Straight JIC Hose End
8-8
Straight JIC Hose End
ORB x JIC Straight
10-8
ORB x JIC Straight
10-8
ORB x JIC Straight
10-8
P
A
B
T
8-8
Straight JIC Hose End
L ong 90 JI C Hose End
8-8
ORB x JIC Straight
10-8
ORB x JIC Straight
10-8
90 JIC Hose End
8-8
90 JIC Hose End
8-8
BSP x JIC 90 Elbow
8-8
#106
#108
#103
#109
#105
#107
#90
#89
#97
#98
#85
#86
#93
#94
#82
#81
#101
#102
#138
#139
#68
#69
#77
#71
#75
#73
#63
#66
#62
#60
#58
#104
#70
#67
#57
#78
#72
#65
#59
#76
#64
#74
#61
#100
#99
#80
#79 #83
#84
#92
#96
#88
#87
#95
#91
8-8
Straight JIC Hose End
ORB x JIC 90 Elbow
8-8
Y/M/DNo. BY REVISIONS
NOTICE
THE DRAWING, INFORMATION AND SUBJECT MATTER HEREOF ARE THE
CONFIDENTIAL, SOLE AND EXCLUSIVE PROPERTY OF CANRIG DRILLING
TECHNOLOGIES CANADA LTD. AND ARE NOT TO BE COPIED,
WHATSOEVER WITHOUT THE WRITTEN CONSENT OR DIRECTION.
DRAWN BY:
CHECKED BY:
SCALE: SIZE:
D
DATE ISSUED:
REV.
ELECTRICAL SPECIFICATIONS
ELECTRICAL ENCLOSURES
All electrical enclosures will be rated Nema
4 or better and of Stainless Steel
construction unless otherwise stated.
ELECTRICAL COLOR CODE
Digital Input ------ Orange
Digital Output ---- Yellow
Analog Input ----- Red
Analog Output --- White
24 VDC Power ---- Red
0 Volt -------------- Black
AC Ground -------- Green
ELECTRICAL WIRING
All electrical wiring will be to CSA
starndards for non classified, zone 0 and
zone 1. Requirments
DRAWING #: SHEET #:
APPROVED BY:
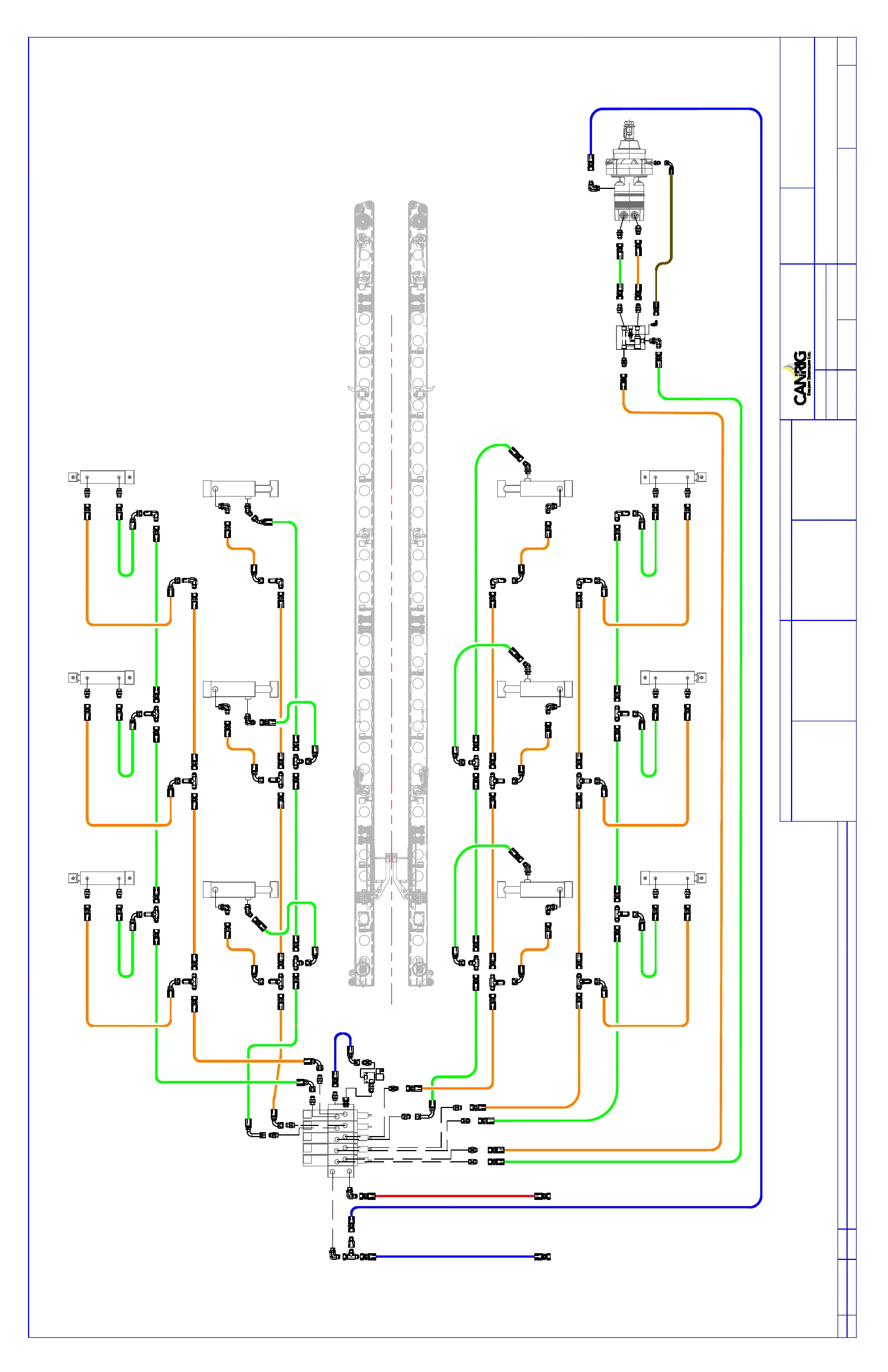
HYDRAULIC SPECIFICATIONS
HYDRAULIC COLOR CODE
Pressure ---------- Red
Return ------------ Blue
Work Port A ------ Orange
Work Port B ------ Green
Pilot Flow --------- Brown
Symbols ---------- Black
HYDRAULIC PLUMBING
All HYDRAULIC HOSE TO BE RATED FOR A
MINIMUM OF 3000 PSI, TOUGH COVER, JIC
37 ° FLARE CONNECTION UNLESS OTHERWISE
STATED. ALL ADAPTER FITTINGS TO BE ORB
OR JIC UNLESS OTHERWISE STATED
7475 51 Street SE
Calgary, Alberta, Canada
T2C 4L6
Bus. (403) 237-6400
Fax. (403) 233-2667
PC3000
CARRIER PLUMBING SCHEMATIC
BHK
NTS 11/8/07
183100001
B
1 OF 1
CHANGED END ON HOSE #76 FROM 45° TO STRAIGHT FITTING
SH2012/10/26B