EasyManua.ls Logo

Dieci Pegasus - Page 236

Dieci Pegasus
320 pages
Print Icon
To Next Page IconTo Next Page
To Next Page IconTo Next Page
To Previous Page IconTo Previous Page
To Previous Page IconTo Previous Page
Loading...
E/12
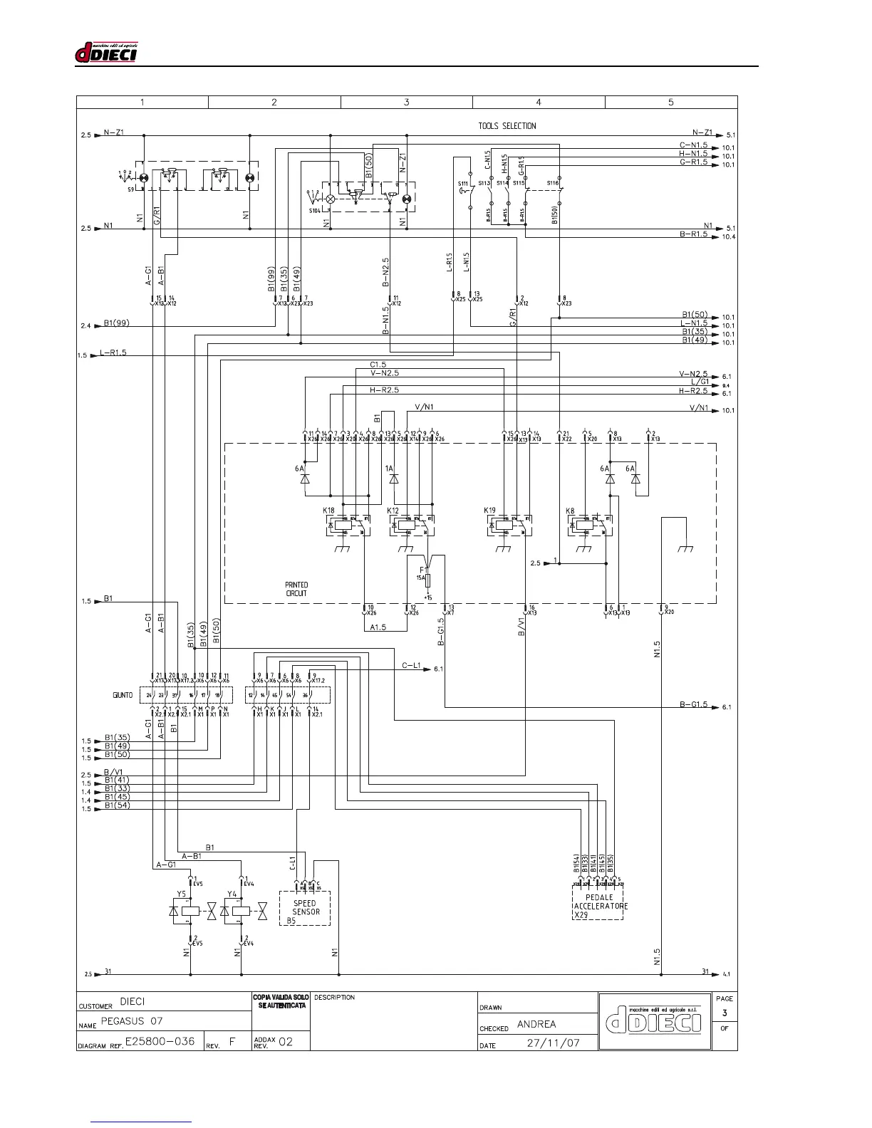
Mod. E.T. PEGASUS
Electric wiring and system diagrams
Valid certied
copy only
10

Table of Contents

Other manuals for Dieci Pegasus