EasyManua.ls Logo

Dieci Pegasus - Page 275

Dieci Pegasus
320 pages
Print Icon
To Next Page IconTo Next Page
To Next Page IconTo Next Page
To Previous Page IconTo Previous Page
To Previous Page IconTo Previous Page
Loading...
E/51
copy only
Valid certified
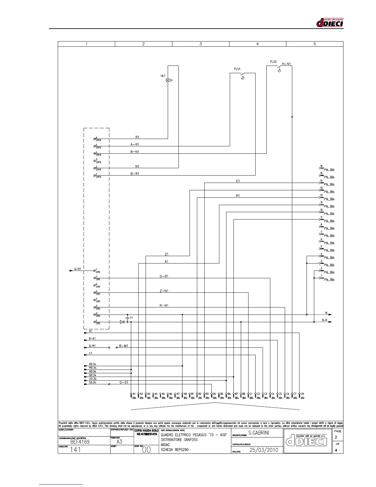
Circuit board
Midac
Upper Arm
Arm Low
Radio control
lamp

Table of Contents

Other manuals for Dieci Pegasus