EasyManua.ls Logo

Fiat TIPO 2016 - Page 495

Fiat TIPO 2016
Print Icon
To Next Page IconTo Next Page
To Next Page IconTo Next Page
To Previous Page IconTo Previous Page
To Previous Page IconTo Previous Page
Loading...
Tous droits réservés. La diffusion et la reproduction de tout ou partie de ce guide par quelque moyen que ce soit sont
interdites.
FIAT TIPO -55- REV. 0.0
État du moteur éteint automatiquement
Une fois le moteur automatiquement coupé pour la fonction Stop/Start, une demande peut être
générée par un dispositif/une unité de commande, qui requiert le redémarrage automatique du
moteur.
L'ordinateur collecte les informations provenant du véhicule et, si cessaire, demande que le
module de commande du moteur redémarre le moteur automatiquement (le module de commande
du moteur contrôle d'abord si les conditions de redémarrage sûr sont remplies).
La décision de demander ou de ne pas demander un arrêt automatique par l'ordinateur de bord
est convertie en un signal produit par l'ordinateur de bord et envoau module de commande du
moteur via C-CAN.
Le diagramme ci-dessous décrit la stratégie adoptée par l'ordinateur de bord pour gérer les
informations provenant de l'IBS et la procédure de demande ou non d'arrêt automatique.
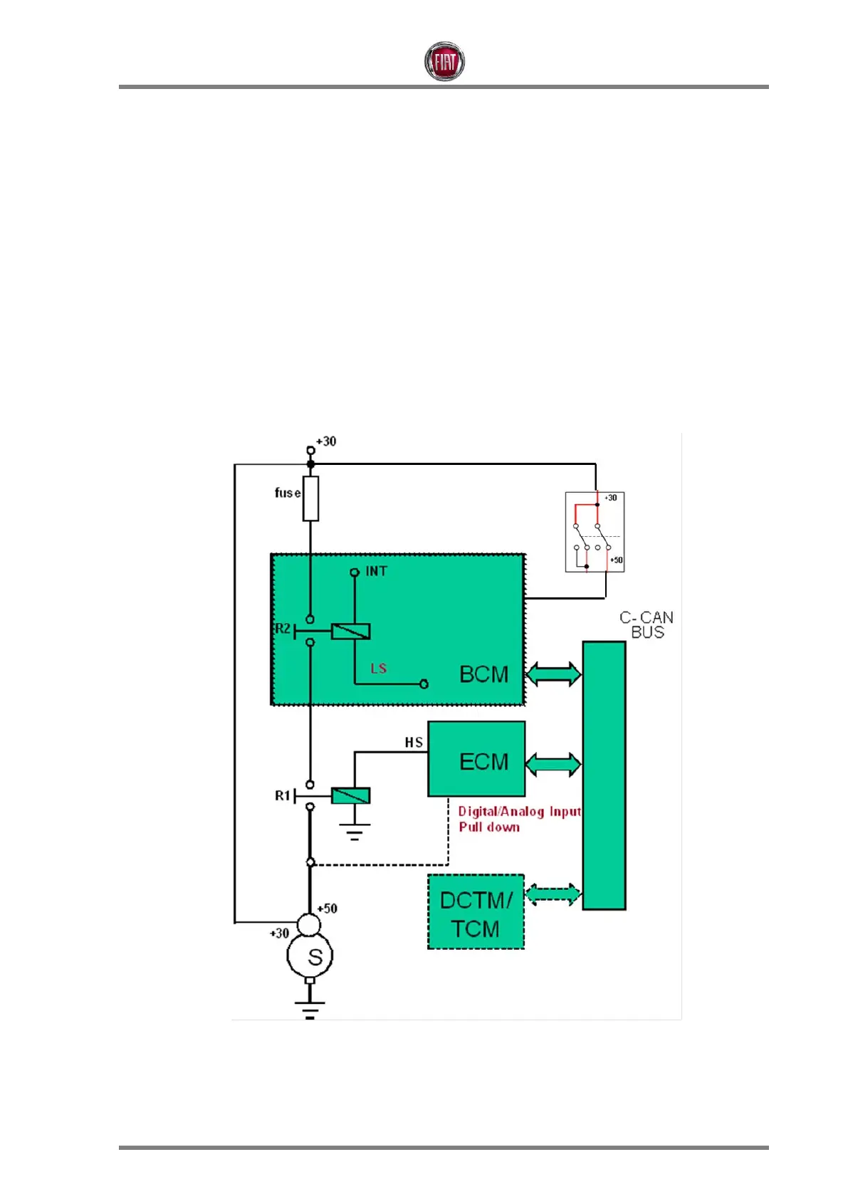
Démarrage
Le démarrage par clé est contrôlé par l'utilisateur en mettant la clé en position de démarrage : dans
ces circonstances, le démarrage est géré par l'ordinateur de bord et par le module de commande du
moteur.
L'ordinateur de bord abrite un relais R2 dont la ligne d'alimentation est en série avec la ligne
d'alimentation du relais R1 géré par le module de commande du moteur.

Table of Contents

Related product manuals