EasyManua.ls Logo

Fiat TIPO 2016 - Page 564

Fiat TIPO 2016
Print Icon
To Next Page IconTo Next Page
To Next Page IconTo Next Page
To Previous Page IconTo Previous Page
To Previous Page IconTo Previous Page
Loading...
Wszelkie prawa zastrzeżone. Zabrania się rozprowadzania i kopiowania - nawet częściowego i na jakimkolwiek nośniku -
niniejszej dokumentacji.
FIAT TIPO -12- WER. 0.0
Napięcie znamionowe
14 V
Maksymalna prędkość stała
18 000 obr./min
Regulator napięcia
Typu inteligentnego
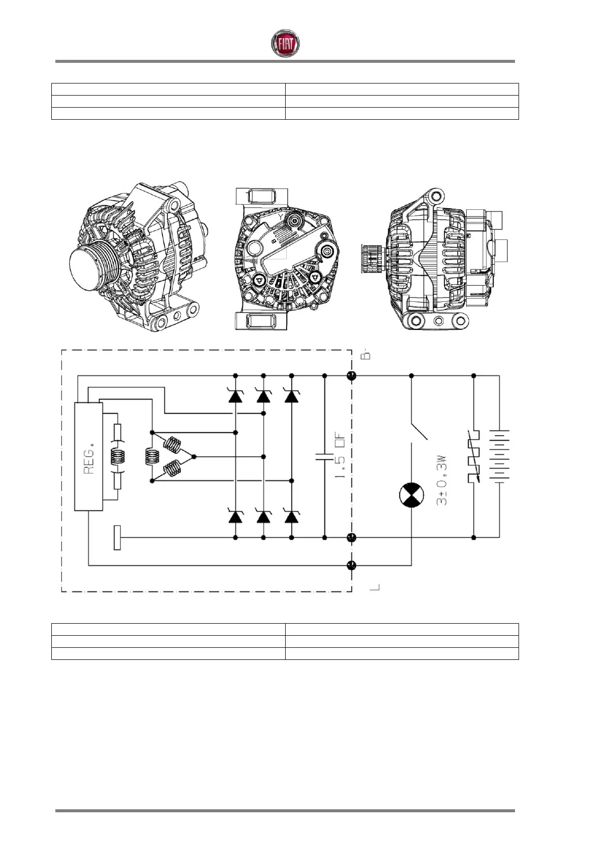
Alternator tradycyjny VALEO
Przykład alternatora tradycyjnego zamontowanego w silniku 1.3 bez systemu Stop & Start.
Napięcie znamionowe
14 V
Maksymalna prędkość stała
18 000 obr./min
Regulator napięcia
Typu elektronicznego tradycyjnego

Table of Contents