EasyManua.ls Logo

HP A7533A - Brocade 4Gb SAN Switch Base - Enabling the TC feature; Displaying the status of the TC feature; Viewing the switch status policy threshold values

HP A7533A - Brocade 4Gb SAN Switch Base
256 pages
Print Icon
To Next Page IconTo Next Page
To Next Page IconTo Next Page
To Previous Page IconTo Previous Page
To Previous Page IconTo Previous Page
Loading...
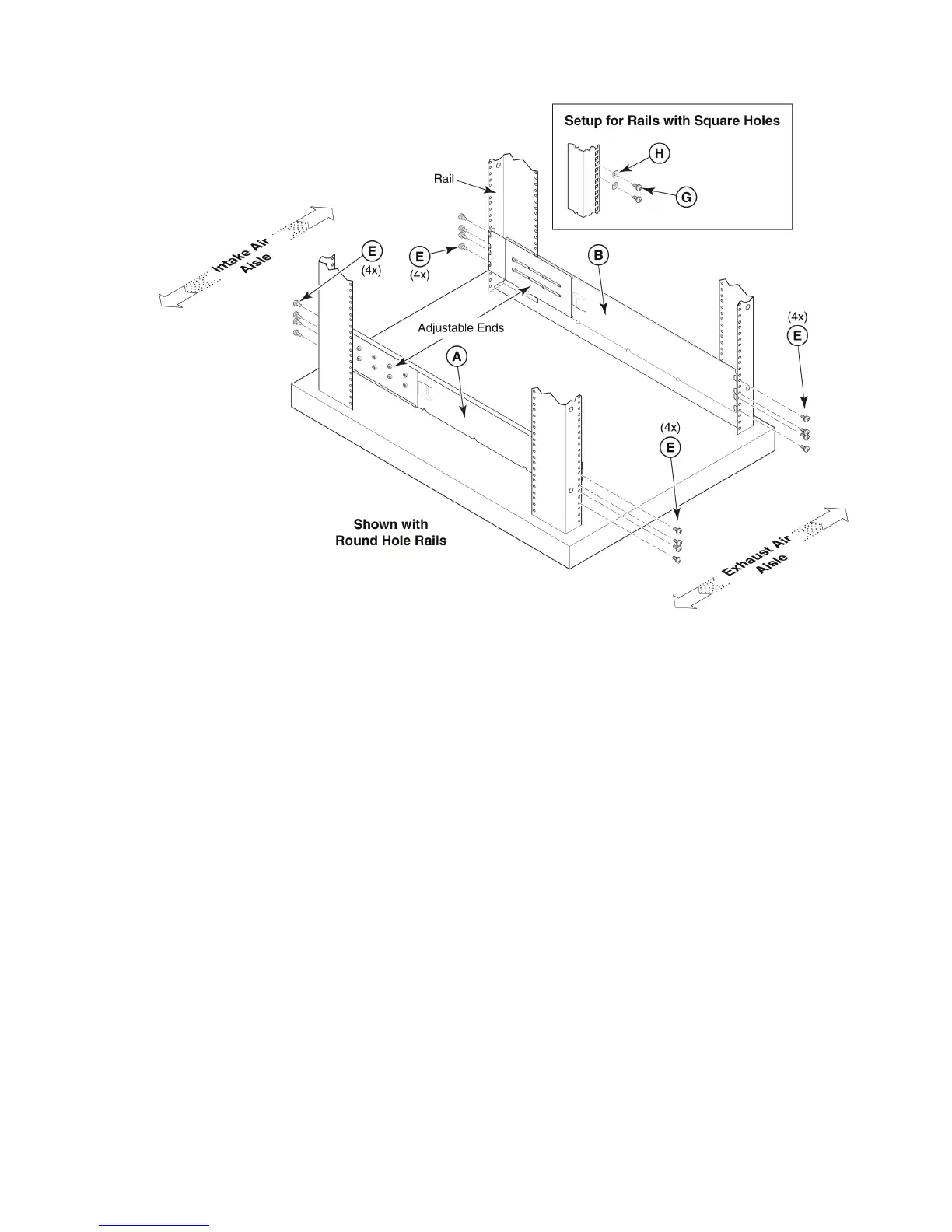
2. Locate and loosen the adjusting screws on the brackets (see Figure 4, items A and B) to allow
for adjustment to cabinet depth.
26420a
Figure 4 Left and right shelf brackets installed on rails
DC SAN Director Installation36

Table of Contents

Other manuals for HP A7533A - Brocade 4Gb SAN Switch Base

Related product manuals