EasyManua.ls Logo

IBM Infoprint 6500-v05 - Page 498

IBM Infoprint 6500-v05
544 pages
Print Icon
To Next Page IconTo Next Page
To Next Page IconTo Next Page
To Previous Page IconTo Previous Page
To Previous Page IconTo Previous Page
Loading...
List of Illustrations
498
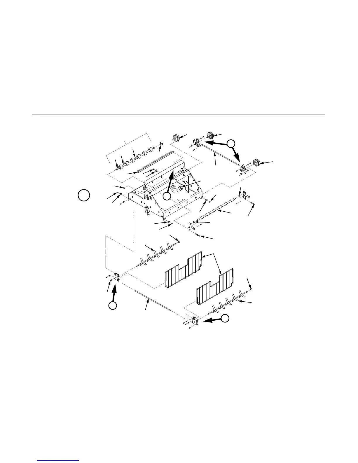
Figure 93. This illustrated parts breakdown is an exploded view of the stacker elevator, showing the motors, rollers, and paddles.
5snipb2
A
47
40
46
45
50
46
45
49
51
16
15
53
15
45
46
45
46
50
55
60
55
50
65
52
54
52
65
From page 495.
See page 500.
See page 500.
See page 500.
page 502.
53
38b
B
D
C
C
70
75
80

Table of Contents

Related product manuals