EasyManua.ls Logo

KAESER M27 - 8.4 Using the low-temperature equipment

KAESER M27
294 pages
Print Icon
To Next Page IconTo Next Page
To Next Page IconTo Next Page
To Previous Page IconTo Previous Page
To Previous Page IconTo Previous Page
Loading...
8.4 Option ba
Using the low-temperature equipment
Determine which low temperature equipment is fitted to the machine.
8.4.1 Option bb
Coolant pre-heating
Start the coolant pre-heating as described in chapter 7.4.2.
8.4.2 Option bc
Operating the machine with frost protector
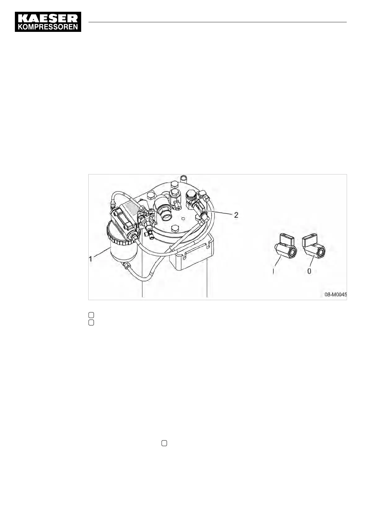
Fig. 34 Frost protector on and off
1 Frost protector tank
2 Shut-off valve
I – open
0 – closed
Switching on the frost protector:
Operation at temperatures below 32°F (winter operation).
Subsequently to the daily operation of the machine, the compressed air conduits and valves must
be moistened with antifreeze.
For this purpose, the defroster must be activated for a short time.
Antifreeze is added to the compressed air.
Precondition Frost protector filled with antifreeze
The machine is switched off.
1. Raise the cover.
2.
Open the shut-off valve 2
on the machine's frost protector (position I).
3.
Close the canopy.
4. Start the machine.
8 Operation
8.4 Using the low-temperature equipment
88
Operator Manual Screw Compressor
M27 No.: 9_9548 05 USE

Table of Contents

Related product manuals