EasyManua.ls Logo

Kollmorgen MMC Smart Drive - Typical 460 V Drive Connection Layout

Kollmorgen MMC Smart Drive
322 pages
Print Icon
To Next Page IconTo Next Page
To Next Page IconTo Next Page
To Previous Page IconTo Previous Page
To Previous Page IconTo Previous Page
Loading...
Kollmorgen - December 2011 189
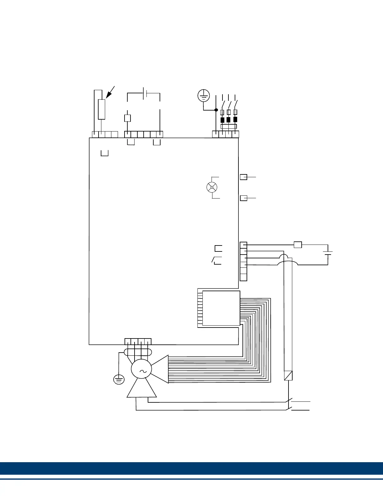
MMC Smart Drive Hardware Manual - 460V 3-PHASE MMC SMART DRIVE
7.3 Typical 460V Drive Connection Layout
Ba-
Ba+
1C1
1D1
J1
+24V
M24V
4A
PE
U
VW
S1
L1
L2
R
B
PE
1U1
1V1
1W1
X101-1
X101-2
X101-3
X101-4
X101-5
X101-6
4A
+24V
Brake Voltage
BRAKE
ENC
PE
1U2
1V2
1W2
A
F1/F2
M
3
MMC-SD-460
Optional
Shunt
Resistor
Incoming AC
Power (Mains)
230VAC
X36-L
FAN
X36-N

Table of Contents