EasyManua.ls Logo

Kollmorgen MMC Smart Drive - Page 52

Kollmorgen MMC Smart Drive
322 pages
Print Icon
To Next Page IconTo Next Page
To Next Page IconTo Next Page
To Previous Page IconTo Previous Page
To Previous Page IconTo Previous Page
Loading...
50 Kollmorgen - December 2011
MMC Smart Drive Hardware Manual - SYSTEM POWER DEVICES
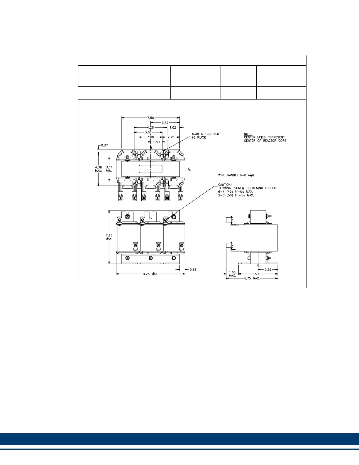
Table 4-10: MMC-SD-51-460 Line Reactor Specifications
Fundamental
Amperage
Power
Loss
Inductance Weight
Part
Number
100A 84W 0.3 mH 51 lbs. M.3000.0107

Table of Contents