EasyManua.ls Logo

Kubota MX5100 - 2 Pto Clutch; Shift Linkage; Structure

Kubota MX5100
454 pages
Print Icon
To Next Page IconTo Next Page
To Next Page IconTo Next Page
To Previous Page IconTo Previous Page
To Previous Page IconTo Previous Page
Loading...
2-M2
MX5100, WSM
CLUTCH
2. PTO CLUTCH
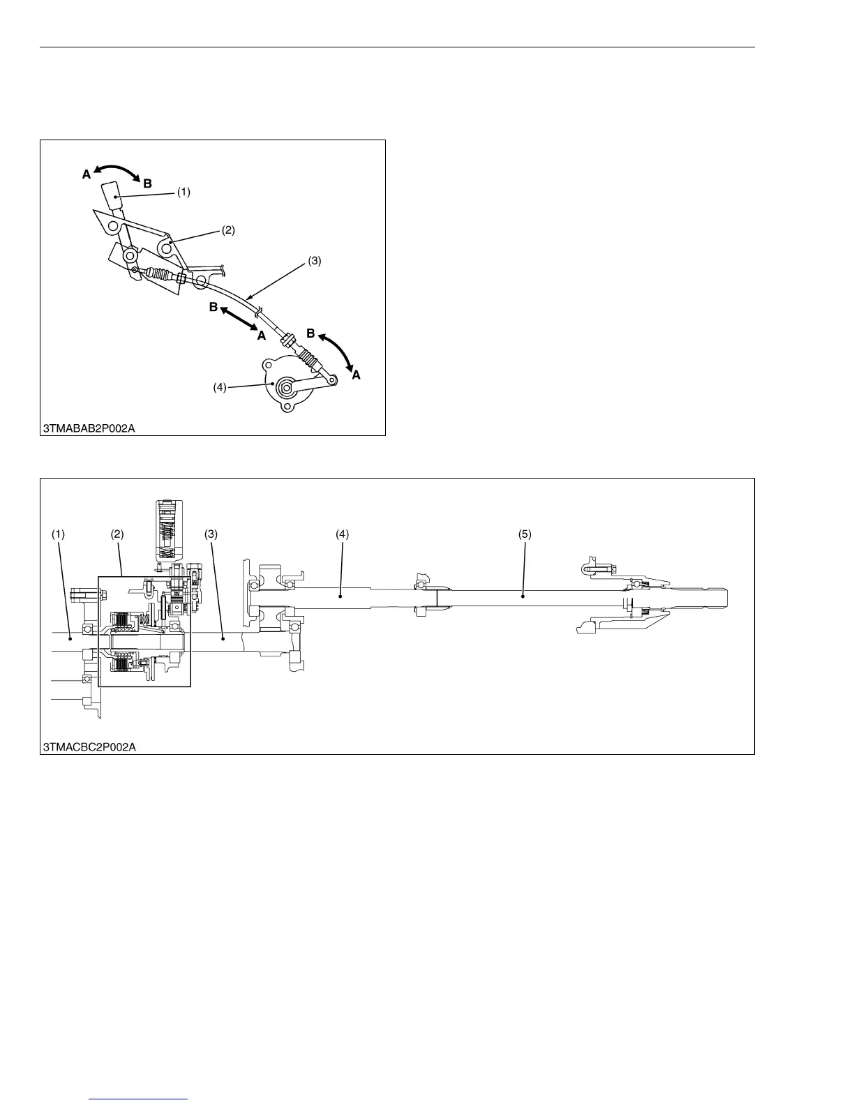
[1] SHIFT LINKAGE
The shift lever (1) and the PTO clutch valve (4) are
connected by the shift cable (3) as shown in the left
figure.
When the shift lever is moved to the B side, the PTO
clutch valve (4) is set at “ENGAGED” position. Then the
oil flows to clutch pack through the PTO clutch valve (4),
and the clutch pack is engaged and the PTO shaft
rotates. When the shift lever is moved to the A side, the
PTO clutch valve (4) is set at the “DISENGAGED”
position.
W10136710
[2] STRUCTURE
The hydraulic multiple disk clutch is used for tractor with independent PTO. This PTO is controlled by the clutch
and is independent of the driving system. PTO is “ENGAGED” or “DISENGAGED” by operating the shift lever of the
PTO clutch valve.
(1) Shift Lever
(2) Lever Guide
(3) Shift Cable
(4) PTO Clutch Valve
A : “DISENGAGED (OFF)”
Position
B : “ENGAGED (ON)” Position
(1) PTO Counter Shaft
(2) PTO Clutch Pack
(3) 11T Gear Shaft (4) PTO Drive Shaft (5) PTO Shaft

Table of Contents

Related product manuals