EasyManua.ls Logo

Kubota MX5100 - 2 Power Train; Main Gear Shift Section; Shuttle Shift Section; Range Gear Shift Section

Kubota MX5100
454 pages
Print Icon
To Next Page IconTo Next Page
To Next Page IconTo Next Page
To Previous Page IconTo Previous Page
To Previous Page IconTo Previous Page
Loading...
3-M3
MX5100, WSM
TRANSMISSION
2. POWER TRAIN
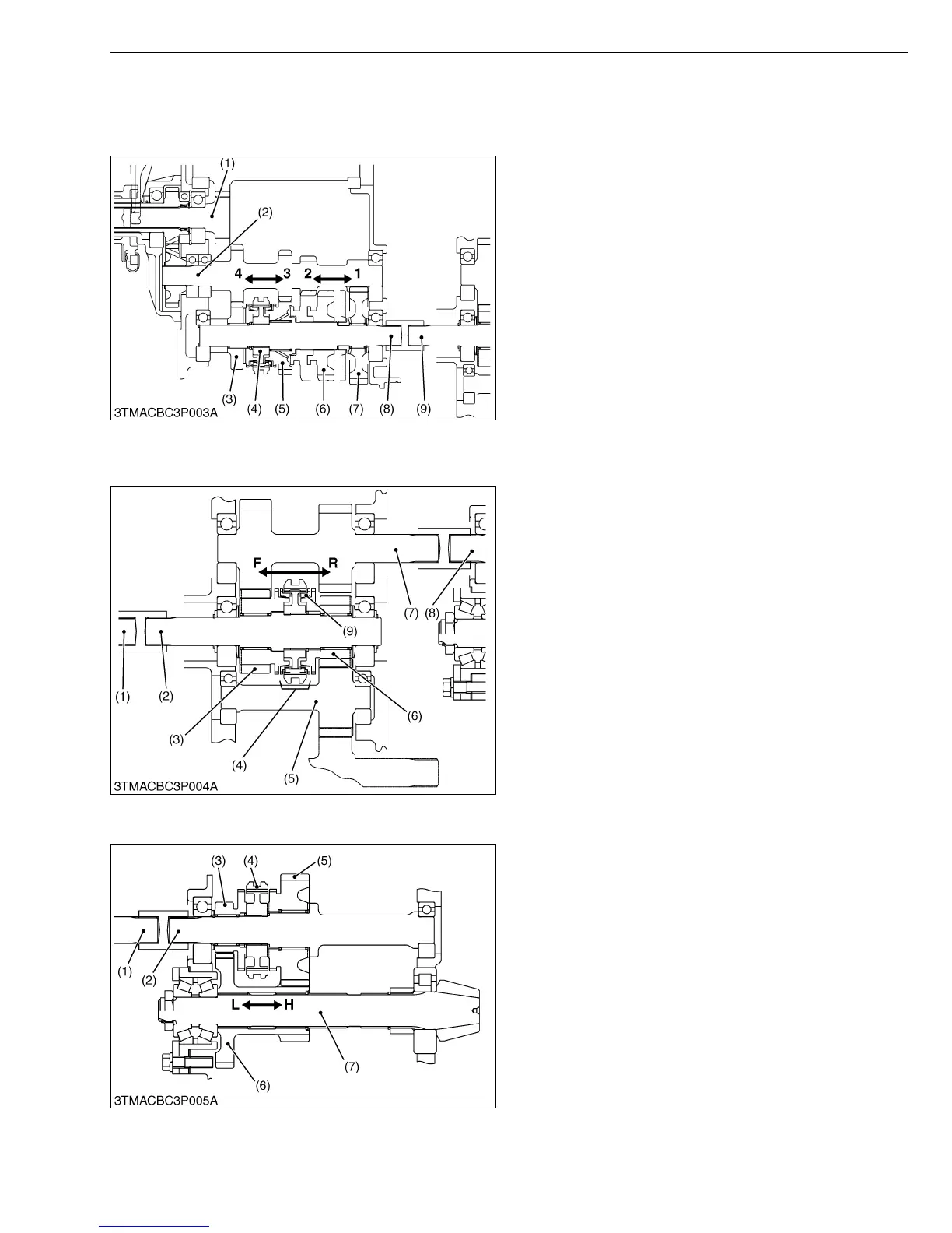
[1] MAIN GEAR SHIFT SECTION
The main gear shift section is located in the clutch
housing, and it uses a synchro mesh, a constant mesh
and a sliding mesh.
Power is transmitted from the engine to the gear shaft
(input) (1) to the counter shaft (8) through the main gear
shift section.
Gear shifting is done by sliding the synchro mesh
gears (4) and the gear for 2nd (shifter gear) (6).
W1012742
[2] SHUTTLE SHIFT SECTION
The shuttle shift section is located in the mid case.
It uses a single cone type synchro mesh. It allows the
operator to change forward and reverse for each speed
from the first to the eighth with single shift lever.
One synchronizer ring (9) is installed on one side as
shown in the figure.
W1012964
[3] RANGE GEAR SHIFT SECTION
The range gear shift section is located in the
differential gear case.
It uses constant mesh gears.
W1013209
(1) Gear Shaft (Input)
(2) Main Shaft
(3) Gear for 4th
(4) Synchro mesh Gears
(5) Gear for 3rd
(6) Gear for 2nd (Shifter Gear)
(7) Gear for 1st
(8) Counter Shaft
(9) Shuttle Shaft
1 : 1st Speed
2 : 2nd Speed
3 : 3rd Speed
4 : 4th Speed
(1) Counter Shaft (for Main Gear
Shaft)
(2) Shuttle Gear (Connected to
Main Gear Shaft)
(3) Gear for Forward
(4) Single Cone Type Synchro
mesh
(5) Reverse Gear Shaft
(6) Gear for Reverse
(7) Shuttle Gear Shaft
(Connected to Range Gear
Shaft)
(8) Range Gear Shaft
(9) Synchronizer Ring
F : Forward
R : Reverse
(1) Shuttle Gear Shaft
(2) Range Gear Shaft
(3) Gear for Low Speed
(4) Shifter
(5) Gear for High Speed
(6) Counter Gear
(7) Spiral Bevel Pinion Gear
L : Low Speed
H : High Speed

Table of Contents

Related product manuals