EasyManua.ls Logo

Kubota MX5100 - 4 Wd Type

Kubota MX5100
454 pages
Print Icon
To Next Page IconTo Next Page
To Next Page IconTo Next Page
To Previous Page IconTo Previous Page
To Previous Page IconTo Previous Page
Loading...
6-M2
MX5100, WSM
FRONT AXLE
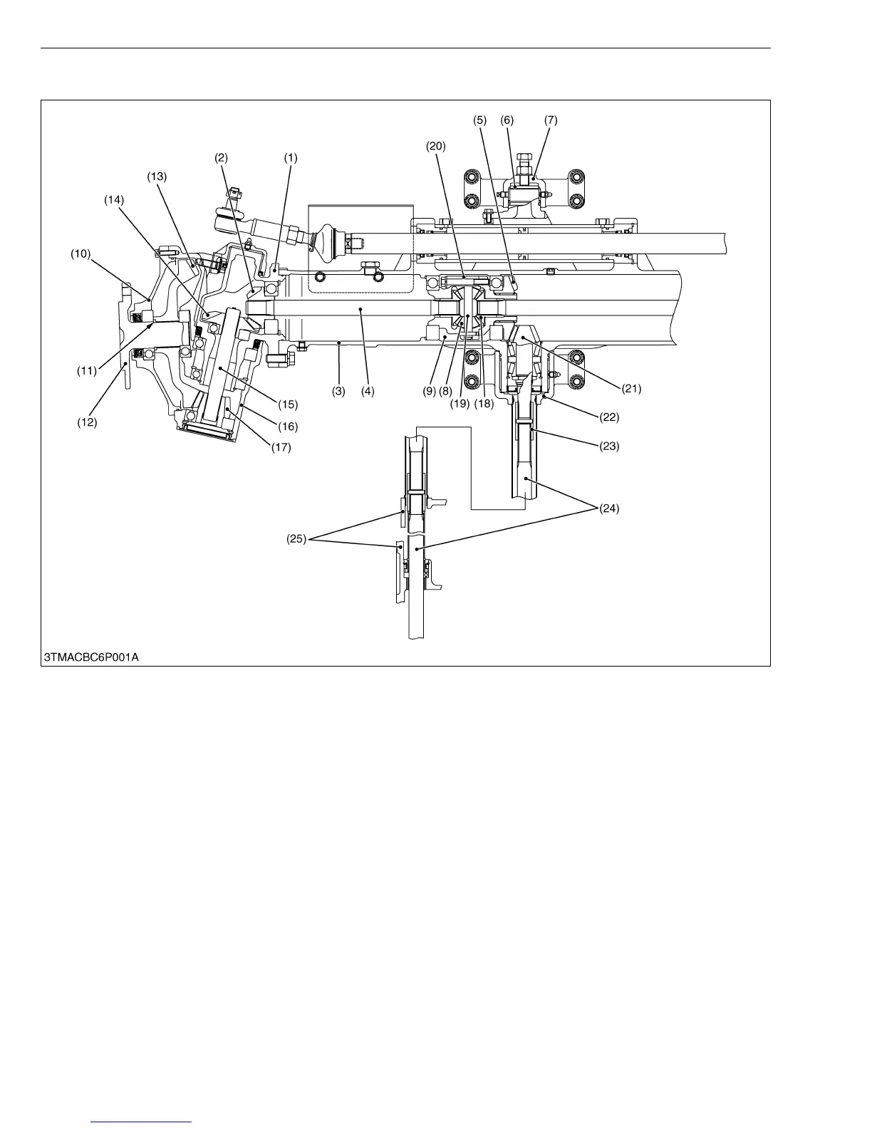
[2] 4WD TYPE
The front axle of the 4WD is constructed as shown above. Power is transmitted from the transmission through the
propeller shaft (24) and to the bevel pinion shaft (21), then to the spiral bevel gear (5) after that to the differential gear.
The power through the differential is transmitted to the differential yoke shaft (4), and to the bevel gear shaft (15)
in the bevel gear case (1).
The revolution is greatly reduced by the bevel gears (17), (13), then the power is transmitted to the axle (12).
The differential system allows each wheel to rotate at a different speed to make turning easier.
(1) Bevel Gear Case
(2) Bevel Gear (10T)
(3) Front Axle Case
(4) Differential Yoke Shaft
(5) Spiral Bevel Gear (21T)
(6) Collar
(7) Front Axle Bracket, Front
(8) Differential Pinion
(9) Differential Case
(10) Axle Flange
(11) Collar
(12) Axle
(13) Bevel Gear (43T)
(14) Bevel Gear (14T)
(15) Bevel Gear Shaft
(16) Front Gear Case
(17) Bevel Gear (9T)
(18) Differential Side Gear
(19) Pinion Shaft
(20) Differential Assembly
(21) Spiral Bevel Pinion Shaft (8T)
(22) Front Bracket, Rear
(23) Coupling
(24) Propeller Shaft
(25) Clutch Housing

Table of Contents

Related product manuals