EasyManua.ls Logo

Kubota MX5100 - 1 Structure; 2 Wd Type

Kubota MX5100
454 pages
Print Icon
To Next Page IconTo Next Page
To Next Page IconTo Next Page
To Previous Page IconTo Previous Page
To Previous Page IconTo Previous Page
Loading...
6-M1
MX5100, WSM
FRONT AXLE
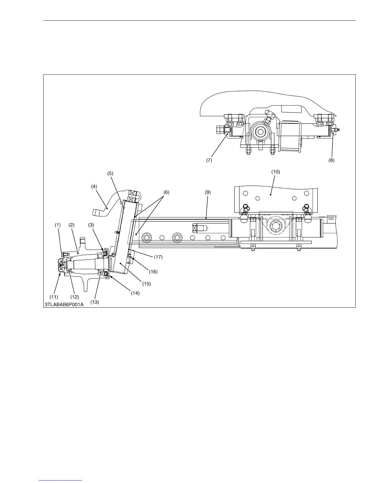
1. STRUCTURE
The front axle supports the front of tractor and facilitates steering. There are two kinds of front axles. The two-
wheel drive axle has free-running front wheels and the four-wheel drive axle has powered front wheels.
[1] 2WD TYPE
The front axle of the 2WD type is constructed as shown above. The shape of the front axle is relatively simple, and
the front axle is supported at its center with the front axle brackets (7), (8) on the front axle frame (10), so that steering
operation is stable even on an uneven grounds in a farm field.
(1) Slotted Nut
(2) Front Wheel Hub
(3) Oil Seal
(4) Knuckle Arm
(5) Bushing
(6) Front Axle, Out
(7) Front Axle Bracket, Front
(8) Front Axle Bracket, Rear
(9) Front Axle, Middle
(10) Front Axle Frame
(11) Front Wheel Cap
(12) Taper Roller Bearing
(13) Taper Roller Bearing
(14) Dust Cover
(15) Knuckle Shaft
(16) Thrust Collar
(17) Bushing

Table of Contents

Related product manuals