EasyManua.ls Logo

Kubota MX5100 - Page 76

Kubota MX5100
454 pages
Print Icon
To Next Page IconTo Next Page
To Next Page IconTo Next Page
To Previous Page IconTo Previous Page
To Previous Page IconTo Previous Page
Loading...
G-58
MX5100, WSM
G GENERAL
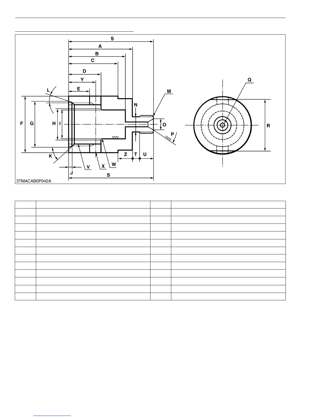
Cylinder Safety Valve Setting Pressure Adaptor
Application: Use for setting the safety valve to the nozzle tester to measure cracking pressure and check oil tightness
of the safety valves.
A 45 mm (1.77 in.) N 10 mm dia. (0.39 in. dia.)
B 40 mm (1.58 in.) O 7.5 mm dia. (0.3 in. dia.)
C 35 mm (13.8 in.) P 1.05 rad (60 °)
D 23 to 23.3 mm (0.9055 to 0.9713 in.) Q 3 mm dia. (1.18 in. dia.)
E 16 mm dia. (0.63 in. dia.) R 36 mm (1.18 in.)
F 40 mm dia. (1.58 in. dia.) S 60 mm (2.36 in.)
G 32.4 to 32.7 mm dia. (1.2756 to 1.2874 in. dia.) T 5 mm (0.20 in.)
H 21 mm dia. (0.83 in. dia.) U 10 mm (0.39 in.)
I 20 to 20.05 mm dia. (0.7874 to 0.7894 in. dia.) V M30 × P1.5
J 2.5 to 2.59 mm (0.0984 to 0.1097 in.) W 0.52 rad (30 °)
K 0.79 rad (45 °) X 8 mm dia. (0.32 in. dia.)
L 0.26 rad (15 °) Y 19 mm (0.75 in.)
M M12 × P1.5 Z 10 mm (0.39 in.)

Table of Contents

Related product manuals