EasyManua.ls Logo

LAR Process Analysers QuickTOC purity - TC-Only Method (6 Sample Streams)

LAR Process Analysers QuickTOC purity
196 pages
Print Icon
To Next Page IconTo Next Page
To Next Page IconTo Next Page
To Previous Page IconTo Previous Page
To Previous Page IconTo Previous Page
Loading...
04E3920 User Manual QuickTOC
®
purity
ATEX 2 171
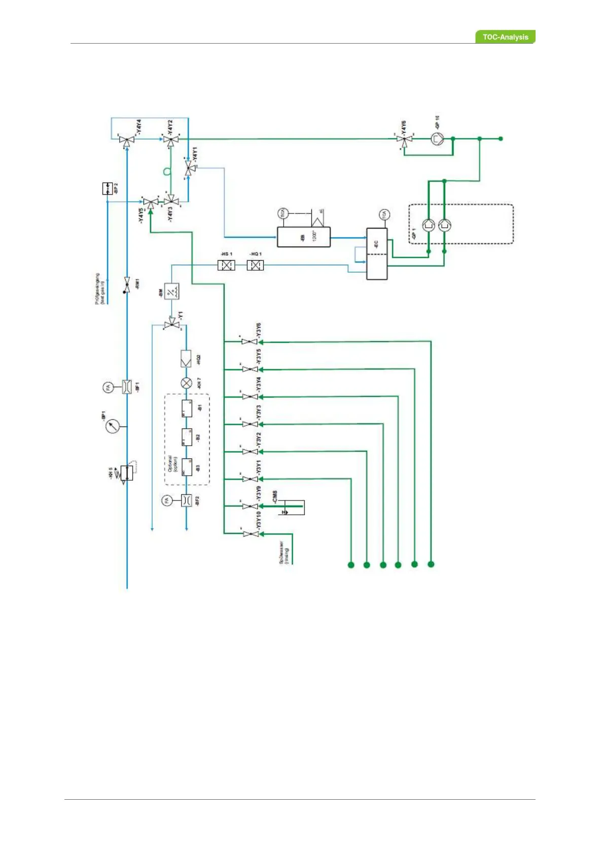
12 Flow Diagrams
12.3 TC-Only Method (6 Sample streams)
LAR | PROCESS ANALYSERS AG
12.3 TC-Only Method (6 Sample streams)
Fig. 114: Flow diagram for TOG-Difference Method (3 Sample streams)

Table of Contents