EasyManua.ls Logo

LAR Process Analysers QuickTOC purity - NPOC Method (1 Sample Stream)

LAR Process Analysers QuickTOC purity
196 pages
Print Icon
To Next Page IconTo Next Page
To Next Page IconTo Next Page
To Previous Page IconTo Previous Page
To Previous Page IconTo Previous Page
Loading...
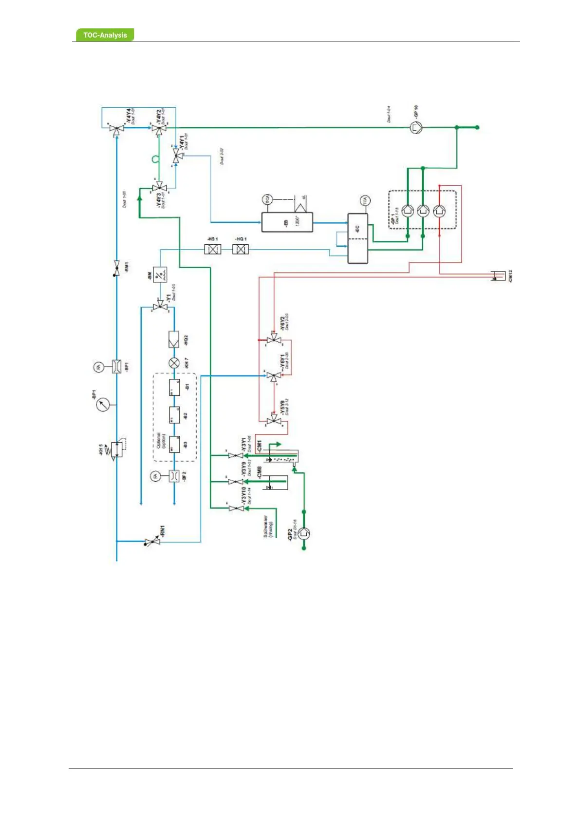
172 User Manual QuickTOC
®
purity
ATEX 2 04E3920
12 Flow Diagrams
12.4 NPOC Method (1 Sample stream) LAR | PROCESS ANALYSERS AG
12.4 NPOC Method (1 Sample stream)
Fig. 115: Flow diagram for NPOC Method (1 Sample stream)

Table of Contents