EasyManua.ls Logo

LAR Process Analysers QuickTOC purity - NPOC Method (6 Sample Streams)

LAR Process Analysers QuickTOC purity
196 pages
Print Icon
To Next Page IconTo Next Page
To Next Page IconTo Next Page
To Previous Page IconTo Previous Page
To Previous Page IconTo Previous Page
Loading...
04E3920 User Manual QuickTOC
®
purity
ATEX 2 173
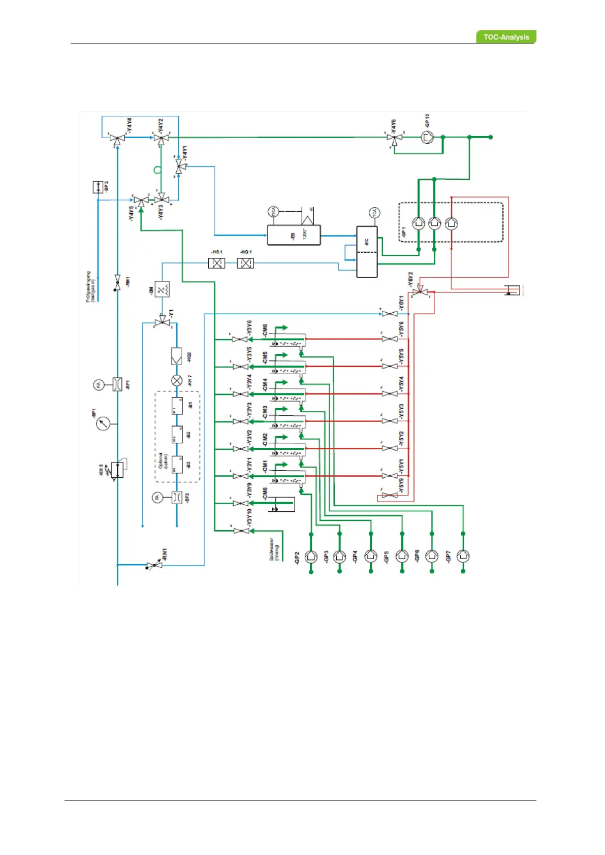
12 Flow Diagrams
12.5 NPOC Method (6 Sample streams)
LAR | PROCESS ANALYSERS AG
12.5 NPOC Method (6 Sample streams)
Fig. 116: Flow diagram for NPOC Method (6 Sample streams)

Table of Contents