EasyManua.ls Logo

LDI DIGISONDE 4D - Digisonde-4 D Block Diagram; Figure 1-4: Block Diagram of Digisonde-4 D

Default Icon
321 pages
Print Icon
To Next Page IconTo Next Page
To Next Page IconTo Next Page
To Previous Page IconTo Previous Page
To Previous Page IconTo Previous Page
Loading...
LDI Intellectual Property.
Not for secondary distribution or replication, in part or entirety.
DIGISONDE-4D
SYSTEM MANUAL
VERSION 1.2.11
1-6 SECTION 1 - GENERAL SYSTEM DESCRIPTION
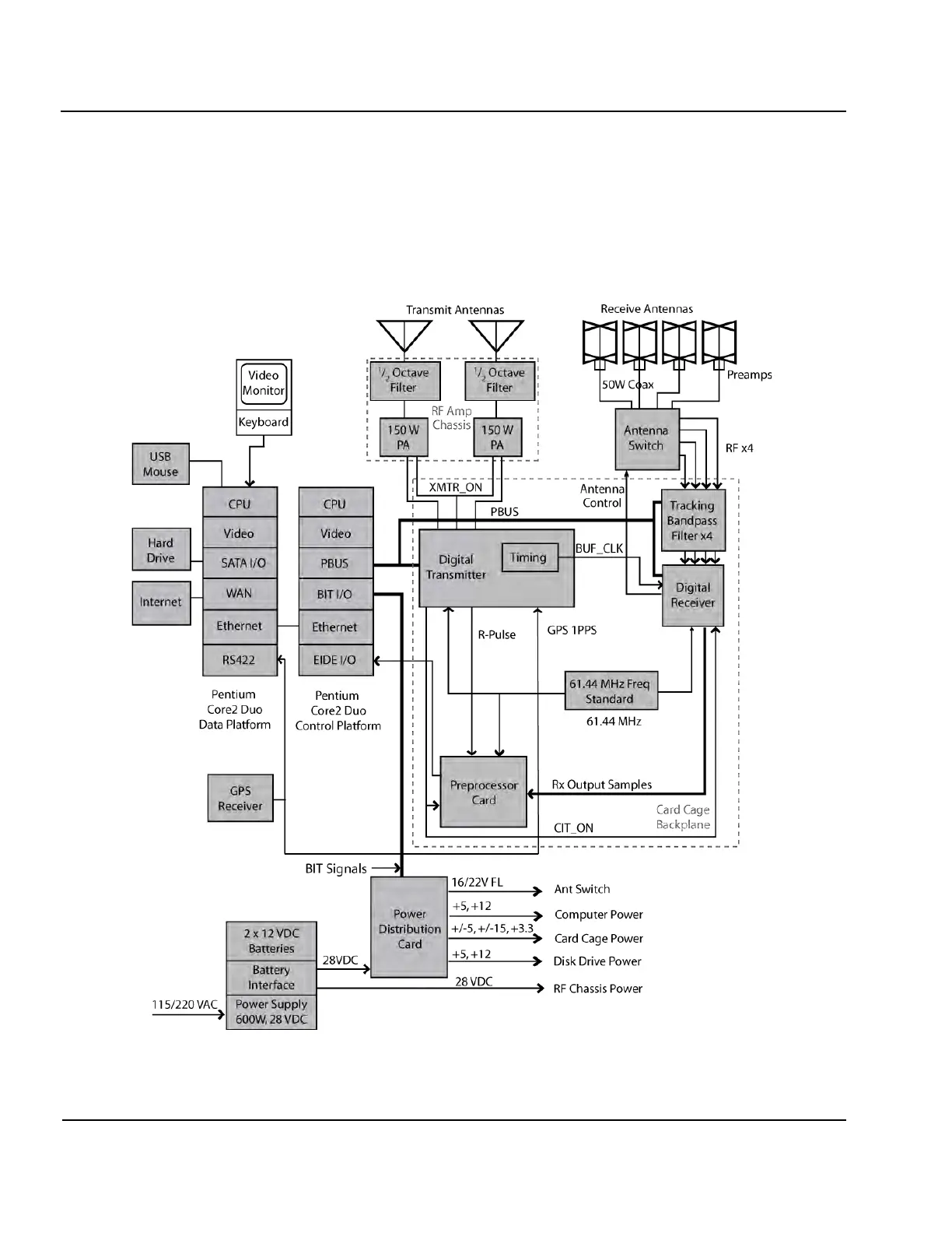
Digisonde-4D Block Diagram
1:6. Figure 1-4 shows the Digisonde-4D
block diagram identifying the Digital Transmitter card, the Digital
Receiver card, the Preprocessor card, four tracking filters, two 150 W Power Amplifiers with half-octave filters,
and two embedded computers responsible for hardware control and data acquisition (Control Platform) and data
processing and remote access (Data Platform).
Figure 1-4: Block Diagram of Digisonde-4D

Table of Contents